Owner's manual
Manuals
Brands
Harrington Hoists and Cranes Manuals
Hoist
MR Trolley - (MR2)
61
62
63
64
65
66
67
68
69
70
Table Of Contents
MOTORIZED
TROLLEY
MR2 SERIES
Code, Lot and Serial Number
Table 5-1 Frequent Inspection
Item
Table of Contents
1.0 Important Information and Warnings
2.0 Technical Information
3.0 Pre-operational Procedures
4.0 Operation
5.0 Inspection
6.0 Maintenance & Handling
7.0 Troubleshooting
8.0 Warranty
Harrington Hoists, Inc. Harrington Hoists – Western Division
MR2 Parts List Rev04.pdf
9.0 Parts List
Section 1/8 to 5 Ton Page
9.4 Side Plates and Suspension Parts– 1/8 to 5 Ton
MR2 Series Name Plate
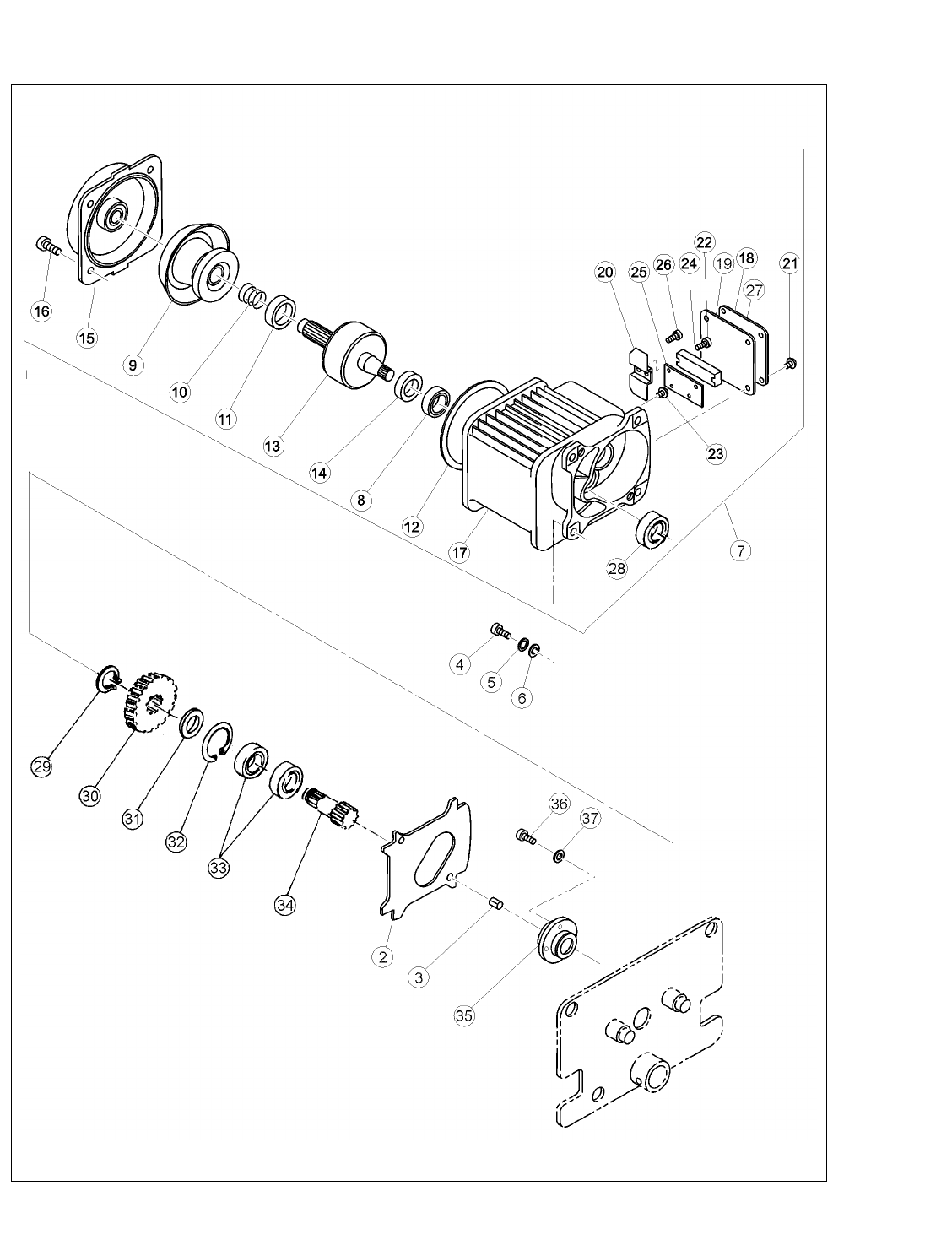
9.6 Mot
or Parts
–
8 to 20
Ton
Figure 9
-6-1
Motor Parts
66
1
...
...
64
65
66
67
68
...
...
76