Owner's manual
Manuals
Brands
Harrington Hoists and Cranes Manuals
Hoist
MR Trolley - (MR2)
21
22
23
24
25
26
27
28
29
30
Table Of Contents
MOTORIZED
TROLLEY
MR2 SERIES
Code, Lot and Serial Number
Table 5-1 Frequent Inspection
Item
Table of Contents
1.0 Important Information and Warnings
2.0 Technical Information
3.0 Pre-operational Procedures
4.0 Operation
5.0 Inspection
6.0 Maintenance & Handling
7.0 Troubleshooting
8.0 Warranty
Harrington Hoists, Inc. Harrington Hoists – Western Division
MR2 Parts List Rev04.pdf
9.0 Parts List
Section 1/8 to 5 Ton Page
9.4 Side Plates and Suspension Parts– 1/8 to 5 Ton
MR2 Series Name Plate
Figure 3
-
15
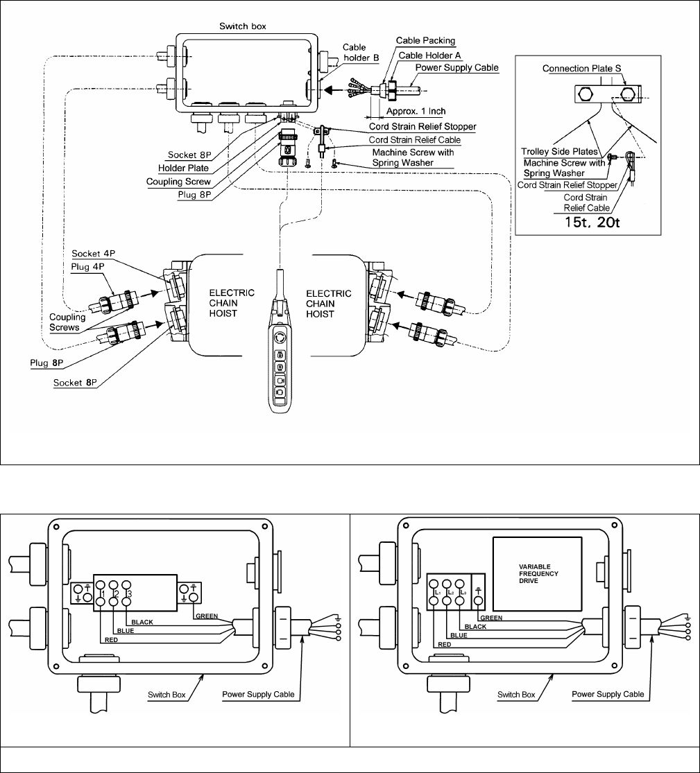
Pendant
and Power Supply Cable Connec
tion
-
Product
Code ER
2/NER2M100
S to ER2/NER2M
200S
Single Speed
Trolle
y
Dual Speed T
rolley
Figure 3
-
16
Power s
upply cable term
inal connections.
26
1
...
...
24
25
26
27
28
...
...
76