Owner's manual
Table Of Contents

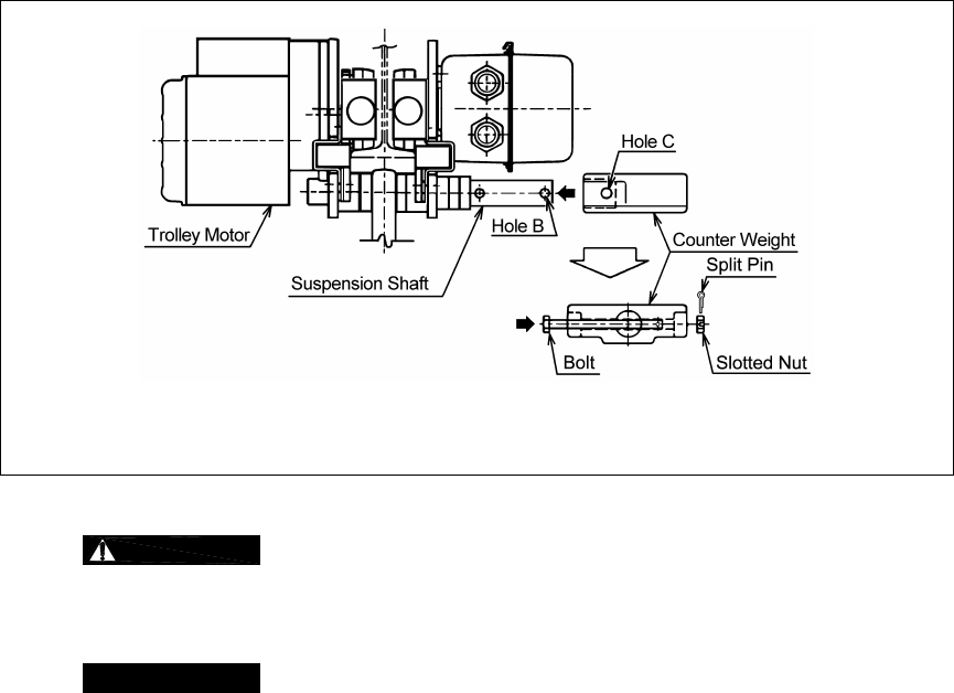
3.1.7 Counter Weight – For proper balance 1 Ton, dual speed MR2 trolleys (code MR2010SD) require a
Counter Weight when installed on a 3 7/8 inch or smaller beam flange. The Counter Weight mounts on
the Suspension Shaft as shown in Figure 3-11 and is held in place with a Bolt, Slotted Nut and Split
Pin. The bolt is installed through holes B and C. Make sure the weight is securely fastened to the shaft
and that the split pin is properly bent. All other trolley capacities do NOT require a counter weight.
Figure 3-11 Counter Weight installation for 1 Ton dual speed trolleys on
beam flanges 3 7/8 inch or smaller
3.2 Mounting Location
3.2.1
Prior to mounting the trolley (and hoist) ensure that the trolley beam and its
supporting structure are adequate to support the trolley, hoist and its loads. If necessary consult a
professional that is qualified to evaluate the adequacy of the suspension location and its supporting
structure.
3.2.2
See Section 6.5 for outdoor installation considerations.
3.3 Installation of Trolley onto Beam
3.3.1 Assemble and adjust the trolley before attempting to install the trolley on the beam.
3.3.2 Preferred Method – Sliding the trolley connected with an electric chain hoist onto the traversing beam
from the beam end is the most convenient and recommended method. If the trolley can be mounted
from the end of the beam then: Remove the trolley end-stop from the beam and set the trolley on the
beam from the end. Securely re-install the trolley end stop on the beam.
3.3.3 Optional Method for Trolleys Up to 5 Ton – If the trolley cannot be mounted from the end of the beam,
complete the installation as follows:
1) Move the Shaft Stopper Pin to Hole B (see Figure 3-12).
2) Spread the trolley side plates apart.
3) Lift the trolley onto the beam so that the geared wheels (motor side of trolley) rest on the beam's
flange.
4) Hold Side Plate G securely so that it does not come off the beam then push the side plates
together so that all four wheels rest on the beam's flange.
5) Remove the Shaft Stopper Pin from Hole B and re-install in Hole A (see Figure 3-5). Bend the Split
Pin securely. Never use trolley with Shaft Stopper Pin in Hole B. Hole B is ONLY used when
installing the trolley on the beam.
21