Owner's manual
Table Of Contents

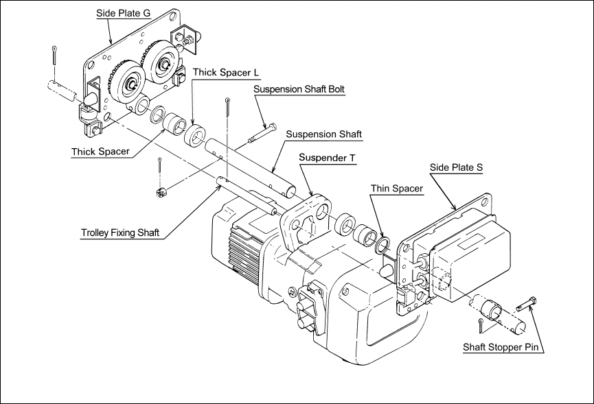
3.1.5 Trolley Assembly
1) Refer to Figure 3-5 or 3-6.
2) Remove the Shaft Stopper Pin, Side Plate S, and Spacers from the Suspension Shaft. For beam
flanges that are wider than the standard range, different suspension shaft and/or spacer
arrangements are provided. Refer to Table 3-1.
3) Insert the Suspension Shaft to Side Plate G and attach it with the Suspension Shaft Bolt, Slotted
Nut and Split Pin (cotter pin). Refer to Figure 3-7 and insure that correct Suspension Shaft holes
are used. Securely bend both branches of the Split Pin after insertion.
4) Referring to Figure 3-10, Table 3-1 and Table 3-2 install the inner adjusting Spacers and
Suspender (Suspension Plates for 8 to 20 Ton) on the Suspension Shaft. Use all of the Spacers
provided with the trolley. If the beam width is not listed in Table 3-2, use the next size smaller and
make adjustments in accordance with Section 3.1.6.
5) Place Side Plate S into the Suspension Shaft.
6) Install the outer adjusting Spacers on the Suspension Shaft outside of Side Plate S. Insert the
Shaft Stopper Pin into Hole "A" so that Split Pin is to the left when seen from the front side of trolley
switch box. Temporarily install the split pin in the Shaft Stopper Pin and bend the split pin slightly to
hold it in place. The split pin should be fully bent after checking and attaining the proper beam
flange adjustment.
7) For ER2/NER2 Hoists up through 5 Ton with Suspender T - Insert the Trolley Fixing Shaft through
Side Plate G, Suspender T and Side Plate S. Secure it to Side Plate G with the two split pins.
Securely bend both branches of the Split Pin after insertion.
8) For 8 and 10 Ton ER2/NER2 Hoists - Insert the Trolley Fixing Shaft through Side Plate G,
Suspension Plates and Side Plate S. Secure it to Side Plate G with two split pins. Securely bend
both branches of the Split Pin after insertion.
Figure 3-5 Assembling the Trolley – Up Through 5 Ton Capacity
15