Manual

9
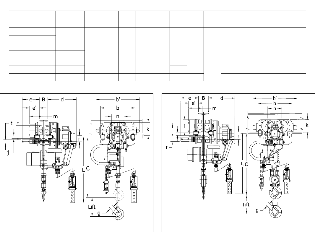
2.2 Dimensions
Table 2-2 Trolley Hoist Dimensions
Cap.
(Tons)
Product
Code
Headroom
C
(in)
b
(in)
b'
(in)
d
(in)
e
(in)
e'
(in)
g
(in)
i
(in)
j
(in)
k
(in)
m
(in)
n
(in)
r
(in)
t
(in)
1/4 TCRM250P
1/2 TCRM500P
19.3
1 TCRM1000P2 21.5
1 TCRM1000P 19.5
12.4 15.6 10.3 6.2 3.7 3.7 0.9 4.8 4.6 4.4 2.1 1.2
2 TCRM2000P2 22.2
1.3
3 TCRM3000P 21.8
13.4 17.4 10.5 6.9 3.9
1.6
4.9 5.0 5.1 5.5 2.9 1.7
6 TCRM6000P2 25.3 15.7 19.8 10.8 8.1 4.3 2.0 5.5
1.4
5.5 5.7 6.1 3.6 2.3
Figure 2-1 TCRM500P
Figure 2-2 TCRM2000P2










