Product manual

Page 4SKU 96291
For technical questions, please call 1-800-444-3353.
hole may need to be drilled in the chassis frame to accomplish this. Before drilling
the hole, make sure the drill’s path will not come in contact with hidden wiring or
any other obstructions or vehicle components. Tighten the Nut securely.
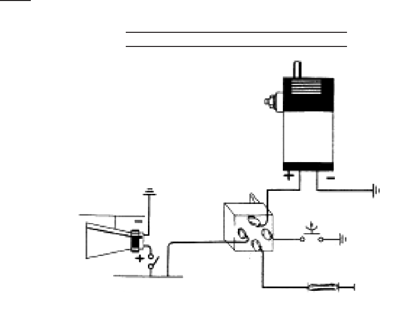
Mount the Electric Relay (not included), as shown in the Wiring Diagrams, to the 4.
chassis frame near the Oooga Horn using a Bolt and Nut (not included). Tighten
securely.
Make the connections to the Oooga Horn (1) and the Electric Relay (not included) 5.
as shown on the Mounting and Wiring Diagrams. Always use terminal connectors
(not included) on all connections. Connect the terminal on the Electric Relay to a
30A fused circuit.
Note: Most vehicles use a negative ground, but some vehicles employ a positive ground. If
this is the case, refer to Positive Ground Wiring Diagram. Pay attention to polarity.
Negative Ground Wiring Diagram
Electric Relay
87
88
51
30
85
Existing vehicle fused circuit
Pushbutton Horn Switch
not included
Connection is to the line positive
“+” point of the original horn
+12 VDC
30 A
REV 08a