- HAMPTON Owners & Installation Manual H25 Direct Vent Gas Fireplace H25-NG1 Natural Gas, H25-LP1 Propane

Hampton
®
H25-1 Direct Vent Freestanding Gas Stove
19
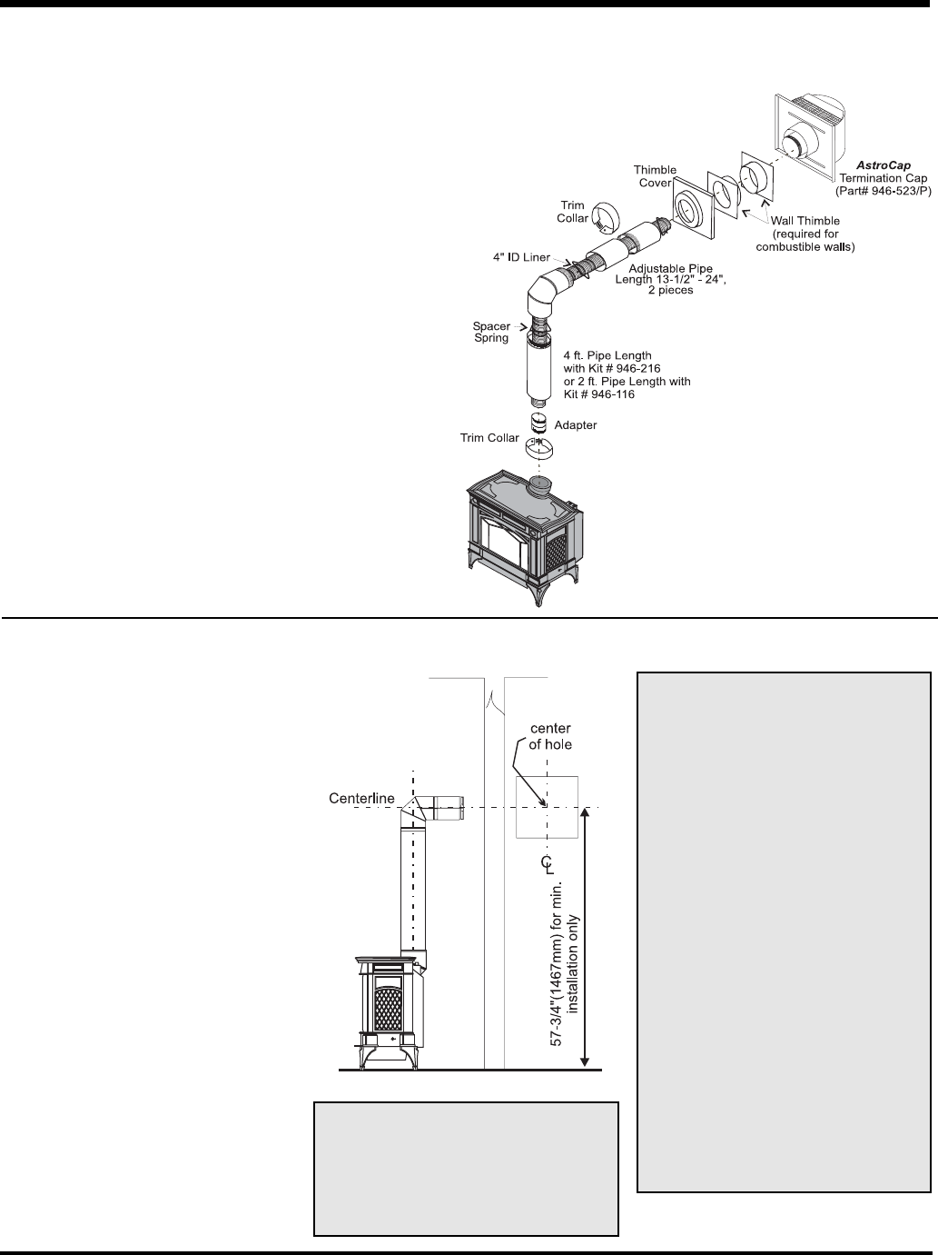
DV STOVE HORIZONTAL VENT KIT (#946-116 & #946-216) INSTALLATION
Review the following sequence of instructions
which are typical of most installations. The se-
quence may vary depending on wall thickness.
See the "Exterior Vent Terminal Locations"
section for vent location and clearance
dimensions, and "Vent Restrictor Position"
section to set the Vent Restrictor to the
correct position.
1) Set the unit in its desired location. Check
to determine if wall studs will be in the way
of the venting system, adjust location until
all clearances are met and there are no
obstructions.
Note: A 1-1/2"(38mm) clearance around the
outer pipe must be maintained except
that only a 1" (25mm) clearance is
needed at the termination end.
IMPORTANT:
Do not locate termination hood where
excessive snow or ice buildup may
occur. Be sure to check vent termina-
tion area after snow falls, and clear to
prevent accidental blockage of venting
system. When using snow blowers,
make sure snow is not directed towards
vent termination area.
b) Install wall thimbles on both interior
and exterior wall with 4 wood screws
(#8 x 1") per thimble.
c) Attach the 2 piece adjustable pipe sec-
tion to the vent terminal and slide into
position from the exterior. The larger
diameter end of the adjustable pipe
goes to the vent terminal.
d) Install the 90
o
elbow onto the adjust-
able pipe to determine the vertical
centerline.
Note: if the centerline cannot be met,
the adjustable sections will have to
be cut.
e) Cut the 4 ft. section of rigid pipe to
length. Attach the 45
o
elbow to the rigid
pipe, and ensure that the pipe length
when cut (with the 45
o
elbow) will seat
onto both the starter collar and the 90
o
elbow. Crimped section of rigid pipe
seats into the 90
o
elbow. Only cut
the uncrimped side of pipe.
Dismantle all pipe sections including vent
terminal.
2) Assemble a trial fi t to determine the vertical
center-line for the vent termination.
a) Cut a 9-1/2" x 9-1/2" (241mm x 241
mm) square hole on both the interior
and exterior wall.
INSTALLATION
DV STOVE HORIZONTAL VENT KIT
DV 2 ft. Stove Vent Kit (Part # 946-116) and DV 4 ft. Stove Vent Kit (946-216) includes all the parts needed
to install the H25 Direct Vent unit with minimum horizontal and vertical vent dimensions. For installations
that require longer vertical and/or horizontal vents use the Dura-Vent system as shown in the "Dura-Vent
Termination Kit" and "Dura-Vent Venting Components" sections.
Qty. Description
1) 1 Rigid Pipe Section (Kit # 946-116: 2 ft. (1.2m) length,
Kit # 946-216: 4 ft. (1.2m) length), 6-1/2" (165mm)
inside diameter
2) 1 Flex Liner, compressed aluminium 2 ply liner, 4" (102mm)
inside diameter
3) 4 spring spacers
4) 1 90 deg. Elbow
5) 1 Adjustable pipe section 13-1/2" to 24" (343mm x 610mm), 2 pcs.
6) 1 Thimble Cover
7) 1 Wall Thimble (2 pcs.)
8) 1 Adapter
9) 1 AstroCap Termination Cap
10) 2 Trim Collars
11) 1 Tube of Mill-Pac, high temperature sealant
12) 12 Screws, #8 x 1/2" Self tapping, Stainless Steel
13) 14 Screws, #8 x 1/2" Self tapping, Black
14) 4 Screws #8 x 1-1/2" Drill Point, Black
15) 4 Screws #8 x 1-1/2" Drill Point, Stainless Steel
16) 8 Wood screws #8 x 1"
Note:
a) Liner sections should be con-
tinuous without any joints or
seams.
b) This is an approved system, there-
fore components in this system
must not be substituted for any
other manufacturer's products.










