- Guardian Technologies, LLC Portable Generator User Manual

Generac
®
Power Systems, Inc. 31
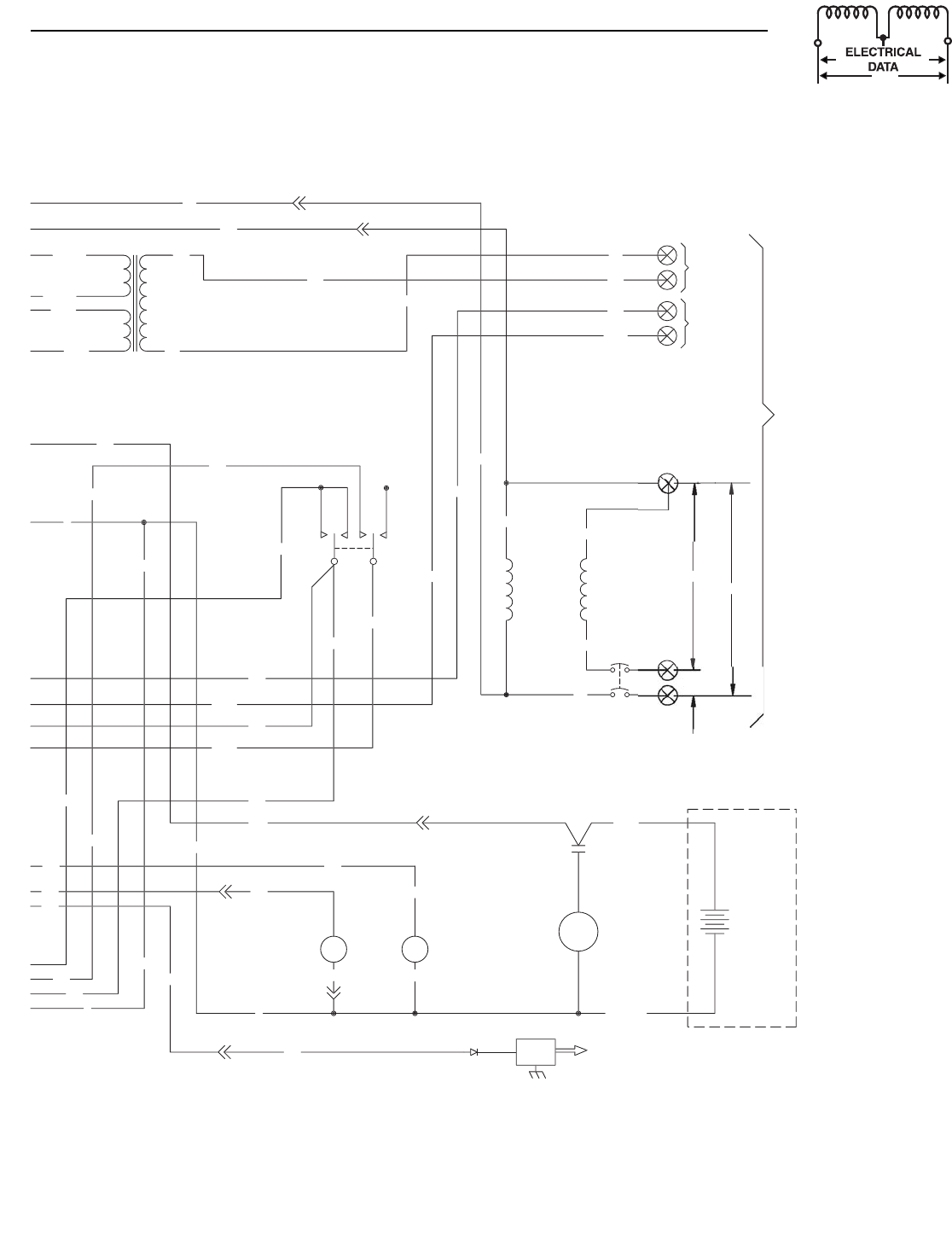
Section 6 — Electrical Data
Guardian Air-cooled 7 kW, 12 kW and 15 kW Generators
Electrical Schematic – 7 kW – Drawing No. 0D9014-C
INP
UT
12V
dc
U
TILIT
Y
CO
I
L
RELAY
TRAN
S
FE
R
NE
U
TRA
L
120
V
24
0
VA
C
CUS
T
O
ME
R
SU
PPLIE
D
2
3
S
W
1
2
39
C
1-
6
0
1
5
17
0
1
8
C
1-
5
0
1
8
0
17
56
1
8
14
1
5A
17
0
1
5
0
C
1-
1
56
2
39
1
3
1
5
SC
14
1
5A
1
94
2
3
1
5
IM
0
D
BLA
CK
SP
P
O
WE
R
WINDIN
G
(
STATOR
)
F
S
14
C
1-
2
1
94
22
RED
SC
SM
24
0V
44
11
C
B
1
33
12
0V
C
2-
5
N2
22
5A
56
V
A
1VA
224A
22
5
224
1
3
N1
TX
17
N2
22
11
C
2-
6
N1
11
2
3
1
94
N1
N2
BATTERY
12V
CUS
T
O
ME
R
CO
NNE
C
TI
O
N
S
0










