- Guardian Technologies, LLC Portable Generator User Manual

30 Generac
®
Power Systems, Inc.
Section 6 — Electrical Data
Guardian Air-cooled 7 kW, 12 kW and 15 kW Generators
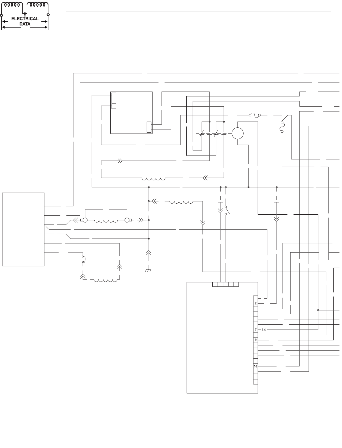
Electrical Schematic – 7 kW – Drawing No. 0D9014-C
CB1 - CIRCUIT BREAKER
,
MAIN OUTPU
T
HT
O
- HI
G
H
O
IL TEMPERAT
U
RE
S
WIT
CH
S
W1 - A
U
T
O
/
O
FF
/
MAN
U
AL
S
WIT
CH
CB2 - CIRCUIT BREAKER
,
ALT. EXCITATIO
N
TX - TRANSFORMER, 16 Vac 56 VA & 16 Vac 1 VA
(
DUAL SEC.
)
B
C
R - BATTERY
C
HAR
G
E RELA
Y
BA - BR
US
H A
SS
EMBL
Y
F1 - F
US
E 1
5
AM
P
F2 - F
US
E
5
AM
P
S
P -
S
PARK PL
UG
F
S
- F
U
EL
SO
LEN
O
I
D
IM - I
G
NITI
O
N M
O
D
U
L
E
HM - H
OU
R R
U
N METE
R
SC
-
S
TARTER
CO
NTA
C
TE
R
S
W2 -
S
ET EXER
C
I
S
E
S
WIT
CH
S
M -
S
TARTER M
O
T
OR
L
O
P - L
O
W
O
IL PRE
SSU
RE
S
WIT
CH
D - DI
O
D
E
DIA
G
RAM KE
Y
2
1
1
0
17
1
6
1
5
12
11
1
3
J1
5
3
J2
4
6
8
3
5
4
1
3
1
2
2
1
DPE WINDIN
G
0
V
O
LTA
GE
RE
GU
LAT
OR
ELE
C
TR
O
NI
C
C
B
2
C
2-
8
2
2
22
1
62
0
4
C
2-1
0
6
4
0
11
22
11
0
0
85
CO
NTR
OL
B
O
AR
D
PRINTED
C
IR
CU
I
T
C
2-
4
C
2-
7
(
STATOR
)
6
0
FIELD
6
BA
C
2-
9
C
2-1
1
0
0
C
2-
3
EN
G
INE R
UN
WINDIN
G
(
STATOR
)
4
55
0
66
66A
C
2-
2
HT
O
C
1-
4
1
5A
17
224
22
5
0
1
5
L
OP
2
3
1
8
351
66A
86
66A
2
39
1
94
2
3
56
4
S
W
2
0
C
1-
3
4
86
0
22
5
14
1
94
224
2
39
66A
14
0
1
94
2
3
1
5
22
5B
BATTERY
C
HAR
GE
WINDIN
G
BATTERY
C
HAR
G
E
R
C
2-
1
77
1
3A
1
3A
11
77
224B
1
6
3
9
9
7
22
B
CR
66
4
0
1
3A
7
14
1
3
F2
22
5A
22
5
1
5
F1
1
3
224A
224
22
11
224A
22
5A










