- Guardian Liquid-cooled Recreational Vehicle Generator Owner's Manual and Installation Instructions

62 Generac
®
Power Systems, Inc.
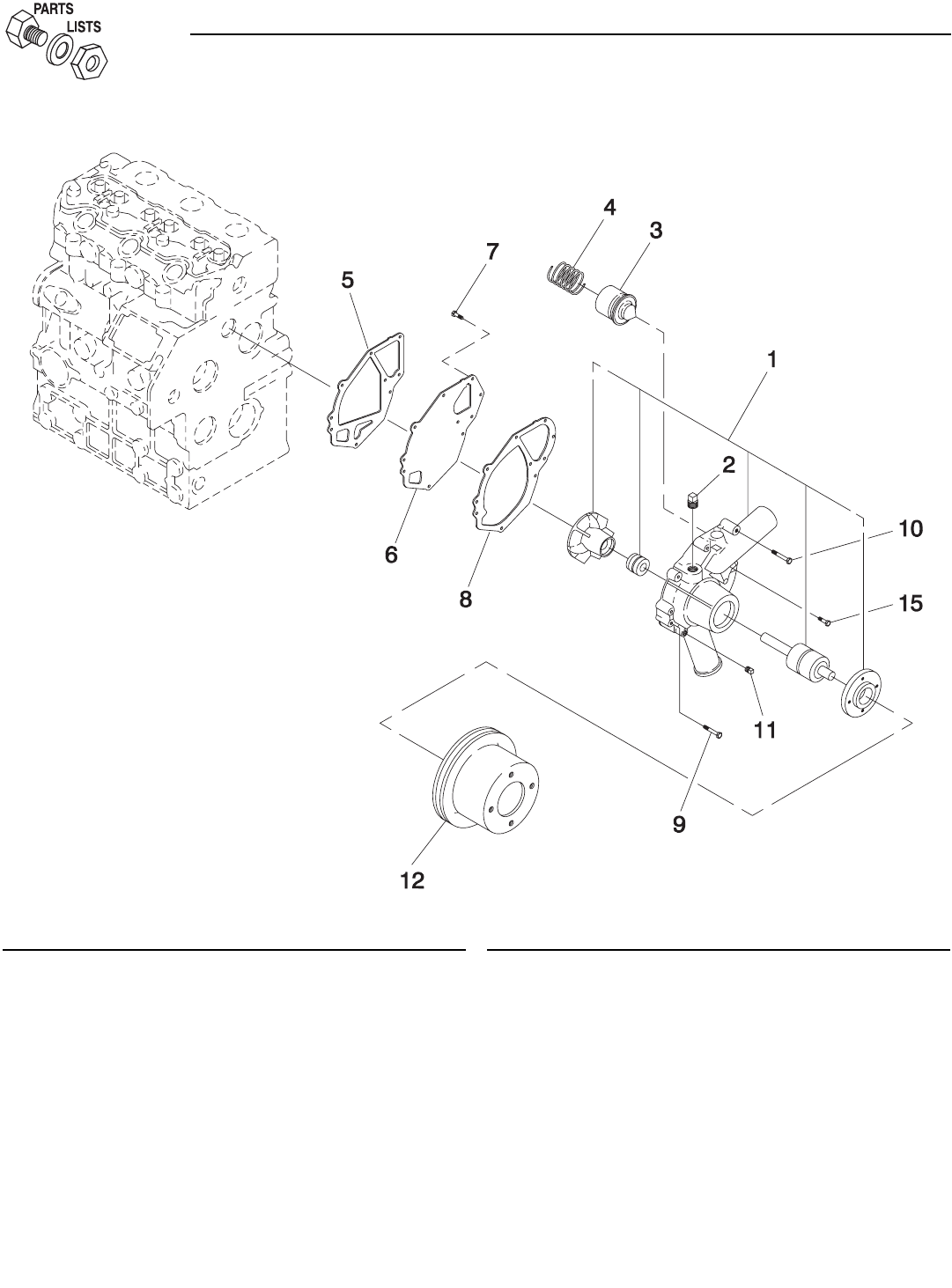
Appendix 4 — Exploded Views and Parts Lists
QUIETPACT™ 75D Recreational Vehicle Generator
1.0 Liter Diesel Water Pump – Drawing No. 082962
ITEM PART NO. QTY. DESCRIPTION
1 0709390265 1 WATER PUMP ASSEMBLY
2 0709390266 1 PLUG
3 0709390267 1 THERMOSTAT
4 0709390268 1 SPRING
5 0709390269 3 GASKET
6 0709390270 1 SET PLATE
7 0709390271 1 BOLT
ITEM PART NO. QTY. DESCRIPTION
8 0709390272 1 GASKET
9 0709390273 1 BOLT
10 0709390274 1 BOLT
11 0709390275 1 NUT
12 0709390247 1 PULLEY
15 0709390284 1 BOLT










