- Guardian Liquid-cooled Recreational Vehicle Generator Owner's Manual and Installation Instructions

56 Generac
®
Power Systems, Inc.
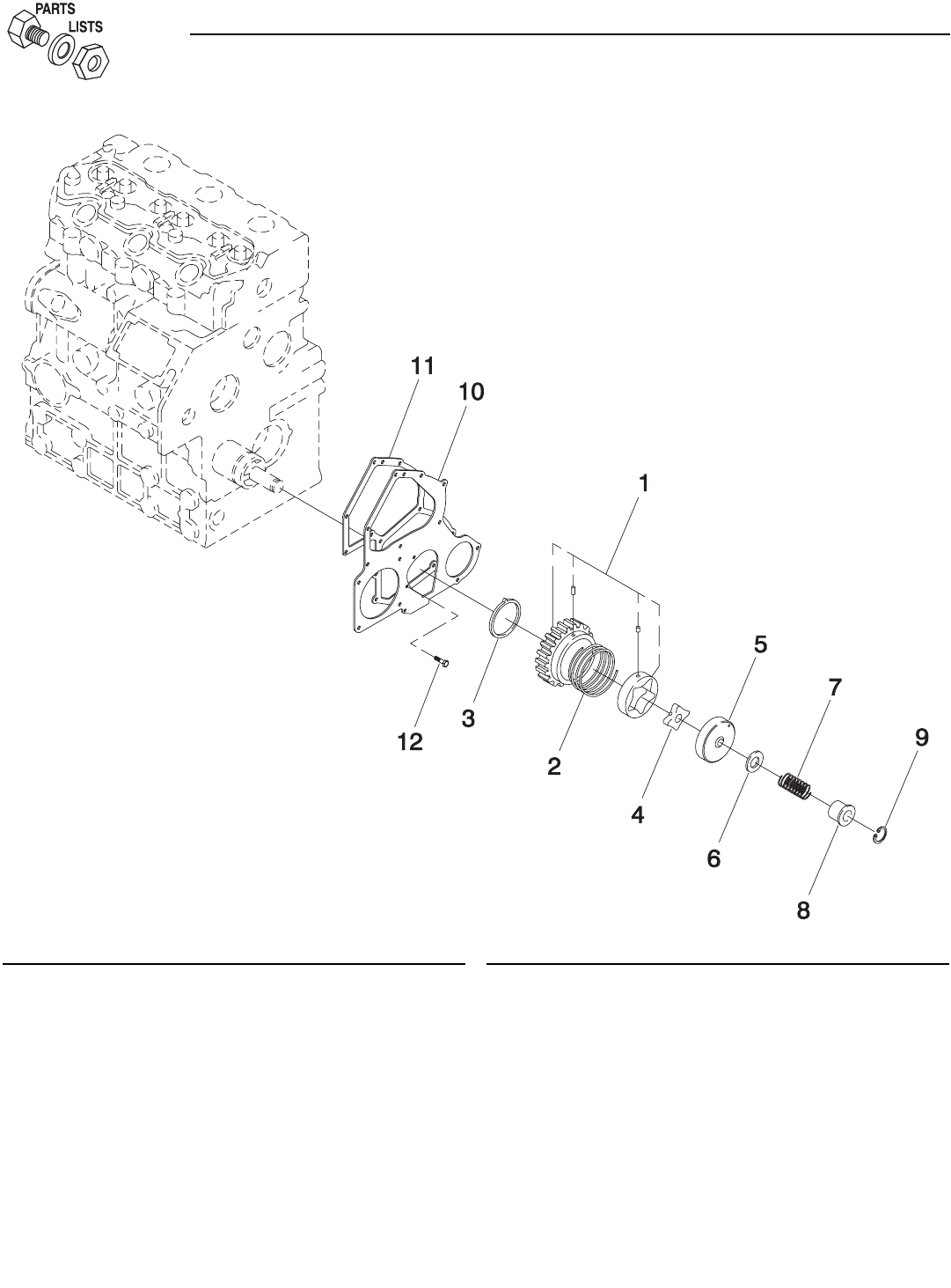
Appendix 4 — Exploded Views and Parts Lists
QUIETPACT™ 75D Recreational Vehicle Generator
1.0 Liter Diesel Oil Pump – Drawing No. 075682
ITEM PART NO. QTY. DESCRIPTION
1 0709390250 1 IDLER GEAR ASSEMBLY
2 0709390252 1 SPRING
3 0709390251 1 THRUST WASHER
4 0709390253 1 ROTOR
5 0709390254 1 OIL PUMP COVER
6 0709390255 AR 0.10MM SHIM
0709390532 AR 0.15MM SHIM
0709390533 AR 0.20MM SHIM
0709390258 AR 0.50MM SHIM
ITEM PART NO. QTY. DESCRIPTION
7 0709390259 1 SPRING
8 0709390260 1 COLLAR
9 0709390261 1 SNAP RING
10 0709390262 1 FRONT PLATE
11 0709390263 1 GASKET
12 0709390264 3 BOLT
AR - AS REQUIRED










