- Guardian Liquid-cooled Recreational Vehicle Generator Owner's Manual and Installation Instructions

54 Generac
®
Power Systems, Inc.
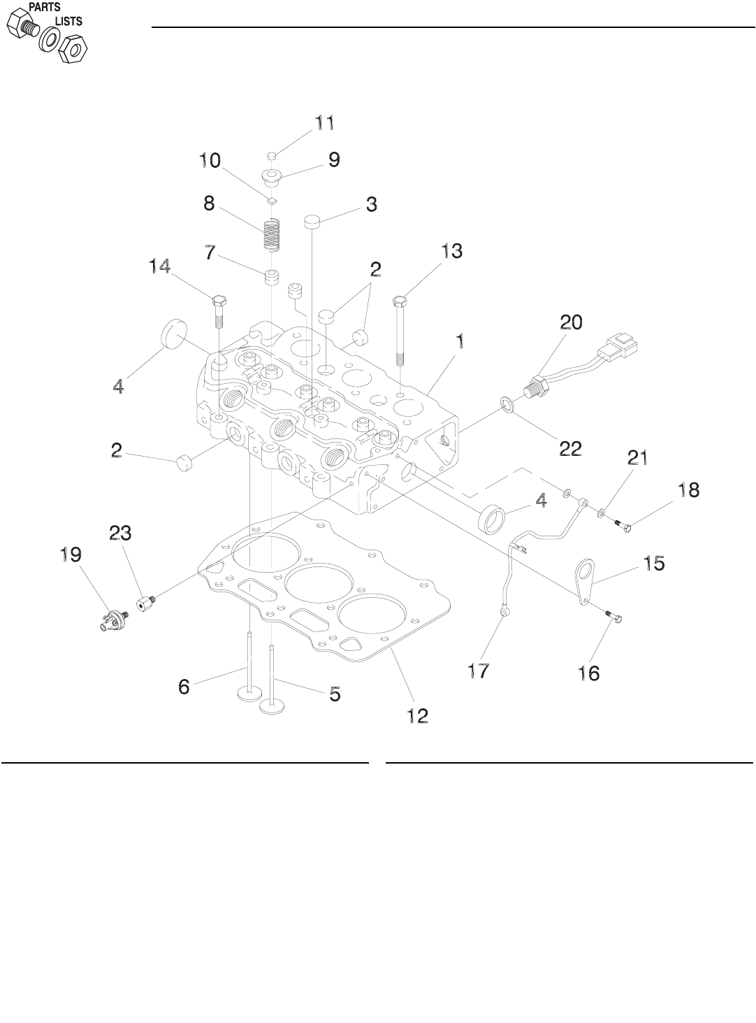
Appendix 4 — Exploded Views and Parts Lists
QUIETPACT™ 75D Recreational Vehicle Generator
1.0 Liter Diesel Cylinder Head – Drawing No. 0D2794
ITEM PART NO. QTY. DESCRIPTION
1 0709390147 1 CYLINDER HEAD ASSEMBLY
2 0709390148 6 EXPANSION PLUG
3 0709390447 3 EXPANSION PLUG
4 0709390149 2 EXPANSION PLUG
5 0709390150 3 INTAKE VALVE
6 0709390151 3 EXHAUST VALVE
7 0709390152 3 VALVE GUIDE SEAL (EXHAUST)
0709390153 3 VALVE GUIDE SEAL (INTAKE)
8 0709390154 6 SPRING
9 0709390155 6 RETAINER
10 0709390156 12 KEY
11 0709390157 6 CAP
12 0709390158 1 CYLINDER HEAD GASKET, 1.2MM
THICK
0709390159 1 CYLINDER HEAD GASKET, 1.3MM
THICK
ITEM PART NO. QTY. DESCRIPTION
13 0709390160 11 BOLT
14 0709390161 3 BOLT
15 0709390162 2 LIFTING EYE
16 0709390163 2 BOLT
17 0709390164 1 TUBING
18 0709390165 2 BOLT
19 0A8584 1 OIL SWITCH
20 0D2791 1 THERMO-SWITCH
21 0709390168 4 GASKET
22 0709390169 1 WASHER
23 042574 1 ADAPTOR
MM=MILLIMETER










