Installation Guide
Manuals
Brands
GROHE Manuals
Bath
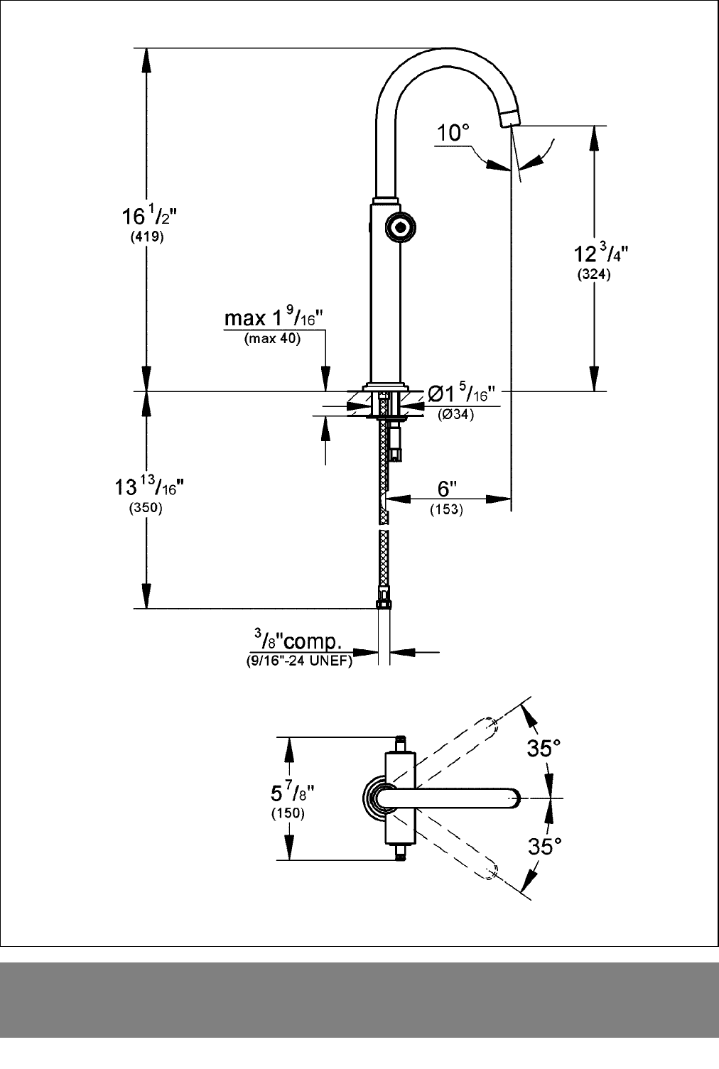
Atrio Single Hole 2-Handle Vessel Bathroom Faucet in Brushed Nickel InfinityFinish (Handles Sold Separately)
1
2
3
4
5
6
7
8
I
S.v
.p remettre cette instruction à
l'utilisateur de la robinetterie!
Entregue estas instru
cciones al usario final de la grifería!
Please pass these instructions on
to the end user of the fitting!
1
2
3
4
...
...
8