INSTRUCTION MANUAL WIDE-BELT SANDER G0445/G0582/G9962Z/9962ZX

-48- G0445/G0582/G9962Z/9962ZX Wide Belt Sander
M1
R
U
S V
3
A
WL
12
SO
L
13
F
R
20
21
R
F
17
19
16
18
LS
LS
LS
1
OL
1
M1
GL
STOP
STAR
T
M1
8
9
7
6
A
5
LS2
LS3
LS
4
POWER SOURCE
BRAKE
T ABL E L I FT I NG
& LOWERI N
G
R
U
S
V
U
V
3
2
SANDI NG BEL
T
CONVEYOR BEL T
R
Emergency Sto
p
SANDI NG
BELT
CONVEYOR
BELT
R
S
T ABL E L I FT I NG
& LOWERI N
G
E
A
AM
14
15
U1
V 1
W1
OL
3
M3
M3
11
A
R U V S
a b
Emer gency Brake
a b
a b
PCR1
10
M3
T
T W
U2
V 2
W2
OL
1
F
R
U
S V
T W
R
U
S V
T W
T
W
W
440V
415
V
220V
200V
380V
1
0 Volt
Fuse
4A
2
0
S
2
STOP
STAR
T
OL
3
GL
PCR 2
EMERGENC
Y
BRAKE
A
PC
MOTOR
MOTOR
MOTOR
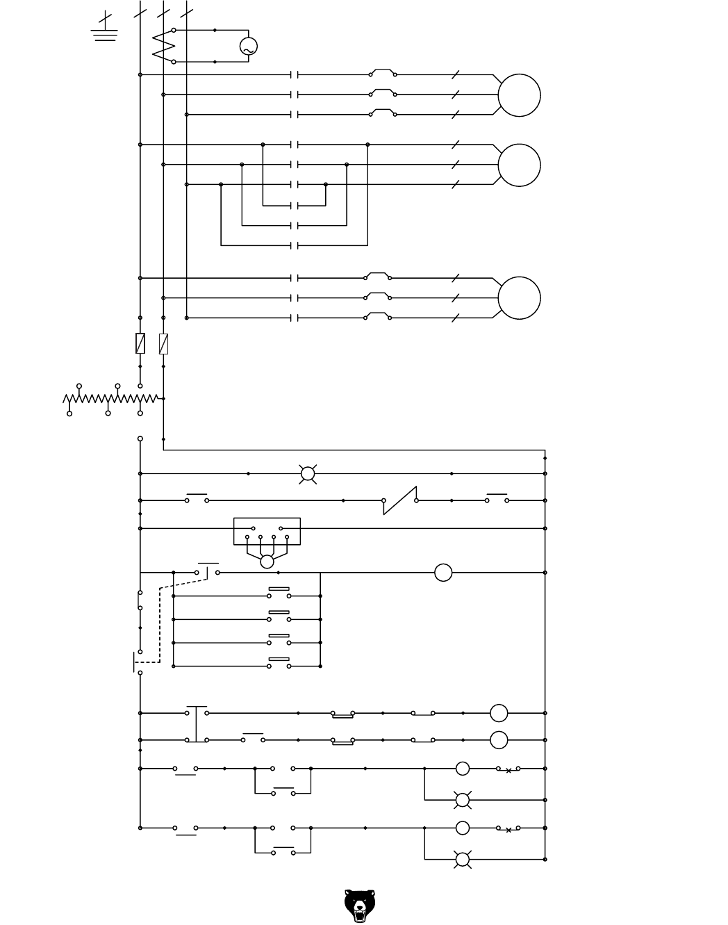
General Electrical Diagram
(G0445/G0582/G9962ZX)
220V/440V 3-Phase