INSTRUCTION MANUAL WIDE-BELT SANDER G0445/G0582/G9962Z/9962ZX

G0445/G0582/G9962Z/9962ZX Wide Belt Sander -35-
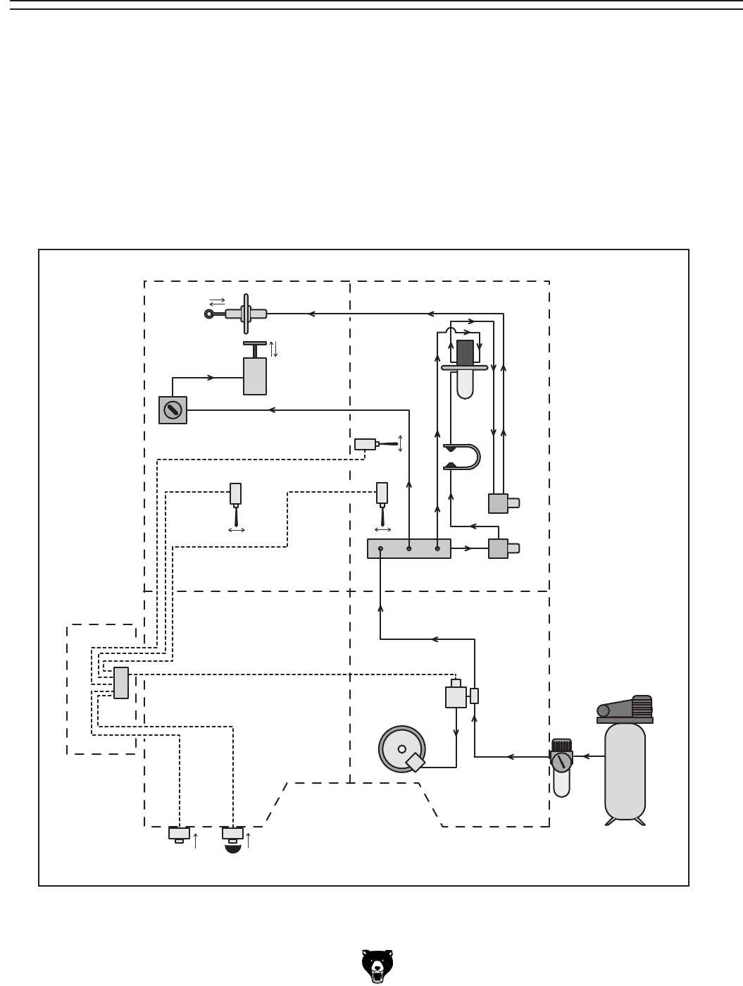
I. Oscillation Timing Piston and Diaphragm Assy.
J. Oscillation Speed Control Piston
K. Belt Tension Control Piston
L. Belt Tension Control Switch
M. Emergency Stop Button Switch
N. Emergency Stop Push Brake Switch
O. Left Belt Limit Switch
P. Right Belt Limit Switch
Q. Belt Tension Limit Switch
R. Emergency Brake Contactor
A. Shop Compressor
B. Air Pressure Regulator
C. Emergency Brake Solenoid
D. Emergency Brake
E. Air Distribution Manifold
F. Airflow Adjustment Knob
(Oscillation Timing)
G. Speed Control Adjustment Knob
(Oscillation Speed)
H. Oscillation Controller Air Fork
Air System Diagram
A
B
C
D
E
F
G
I
J
K
L
H
Front
Upper Right Door Access
Lower Right
Access Panel
Power Box
Upper Left Door Access
M
N
P
Q
O
R