
"*'"
BdYZa<%))%$<%))&$<%))(B[\H^cXZ-$&%
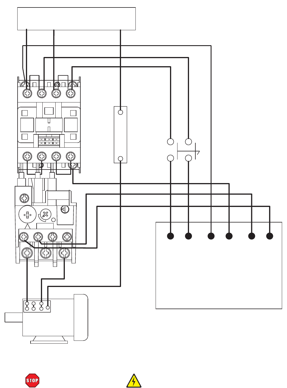
READ ELECTRICAL SAFETY
ON PAGE 52!
&(
I&
.-
&'
&)
&&
6&
&A&
I(
G
D
BVc6jid
.,
.+
G
.*
'I& +I()I' &)CD
6'
(A' *A(
6'
&(CD
DC
D;;
H>C<A:"E=6H:
EDL:GHDJG8:
BDIDG
>8
D#A
<GDJC9
>C
DJI
68
68
Electrical Box Wiring Diagram