- Grind Master Corporation Crathco Beverage Freezers Operation and Instruction Manual

Page 48 Crathco
®
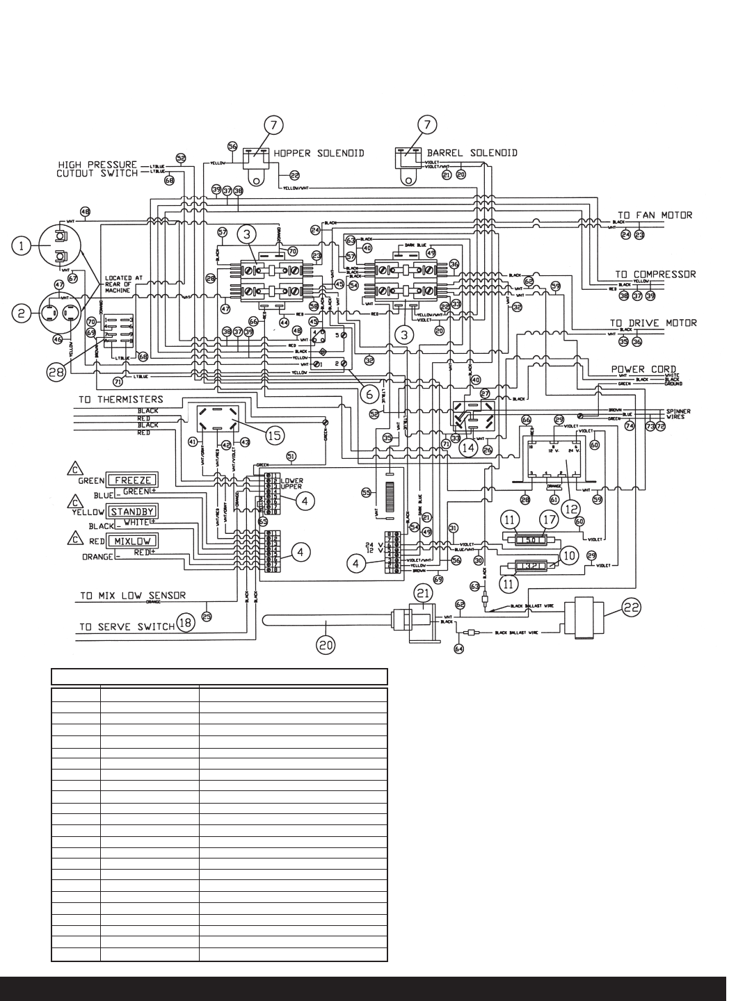
5000 Series Manual
5511 Wiring Diagram
5511-0216-057-10-25-00
Item Part Number Description
1
2
3
4
6
7
10
11
12
14
15
16
17
18
19
20
21
22
*23
*24
*25
*26
*27
28
W0570619
W0570617
W0570655
W0570213
W0570618
W0650102
W0570823
W1570616
W0570659
W0570912
W1570901
W1572132
W0570842
W0570916
W0572704
W0570043
W0570044
W0570047
W0572500
W0572501
W0572502
W0572503
W0572504
83106
Start Capacitor
Run Capacitor
Contactor
8 Pin Terminal Strip
Compressor Relay
Solenoid Complete
3.2 Amp Fuse
Fuse Holder
Transformer
On/Off Switch (Toggle)
Mode Switch
6 Wire Cable Sub-As
Fuse 5 Amp
Switch (Serve)
Bracket Serve Switch
Bulb
Light Socket
Ballast
Right Side Harness
Right Elec. Box Harness
Left Elec. Box Harness
Left Side Harness
Electrical Box Wire Bundle
Relay, Pressure Switch










