- Grind Master Corporation Crathco Beverage Freezers Operation and Instruction Manual
Manuals
Brands
Grindmaster Manuals
Beverage Dispenser
CRATHCO 5941
41
42
43
44
45
46
47
48
49
50
Crathco
®
5000 Series Manual
Pag
e
4
3
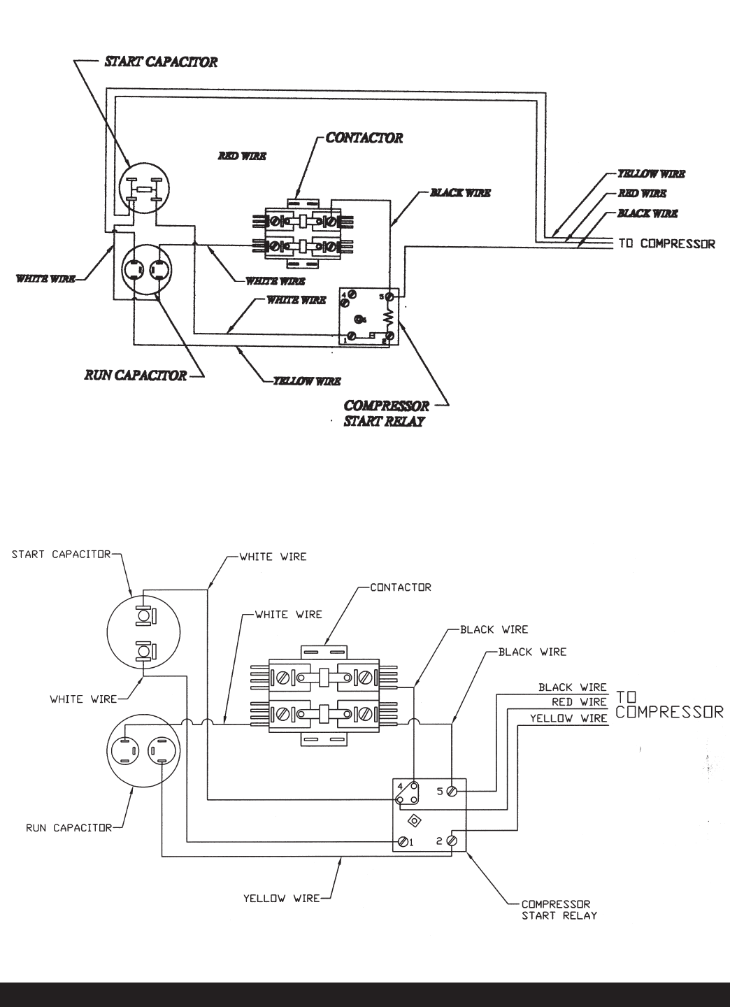
5311 Compressor
Wiring Diagram
5511 Compressor
Wiring Diagram
5511-0106-057-3-20-00
1
...
...
41
42
43
44
45
...
...
52