- Grind Master Corporation Crathco Beverage Freezers Operation and Instruction Manual
Manuals
Brands
Grindmaster Manuals
Beverage Dispenser
CRATHCO 5941
31
32
33
34
35
36
37
38
39
40
Crathco
®
5000 Series Manual
Pag
e
3
7
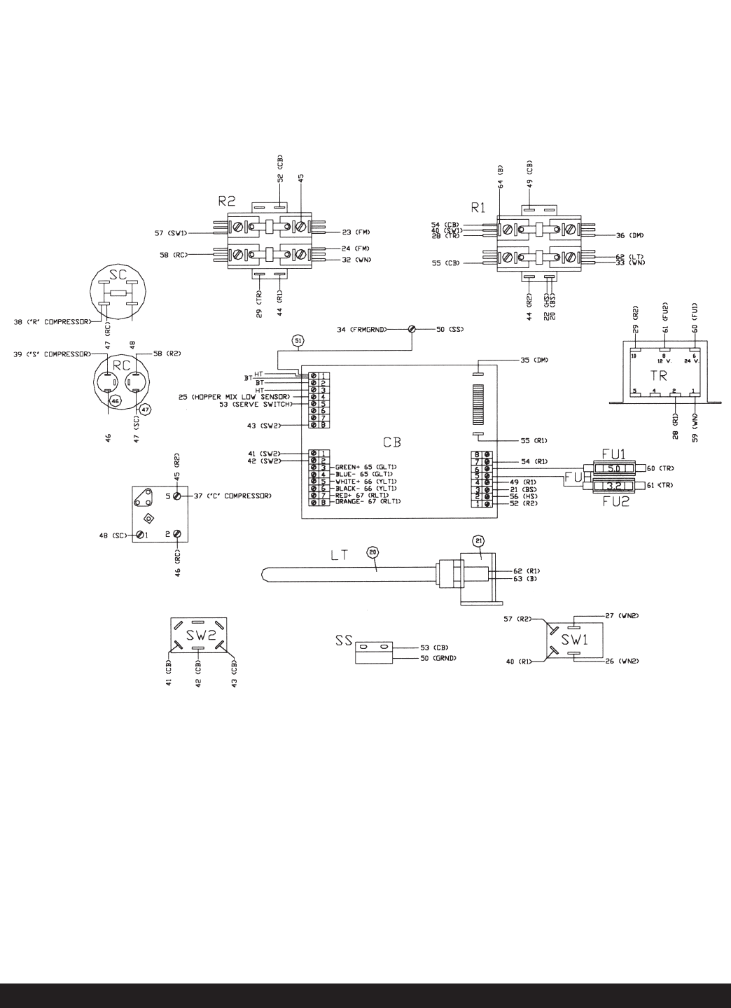
5311 Fr
ont Electrical Bo
x
(CR)
(CR)
(CR)
1
...
...
35
36
37
38
39
...
...
52