Owner manual
Manuals
Brands
Grindmaster Manuals
Water equipment
5511
31
32
33
34
35
36
37
38
39
40
Crathco
®
5311 & 5511 Manual
Pag
e
3
8
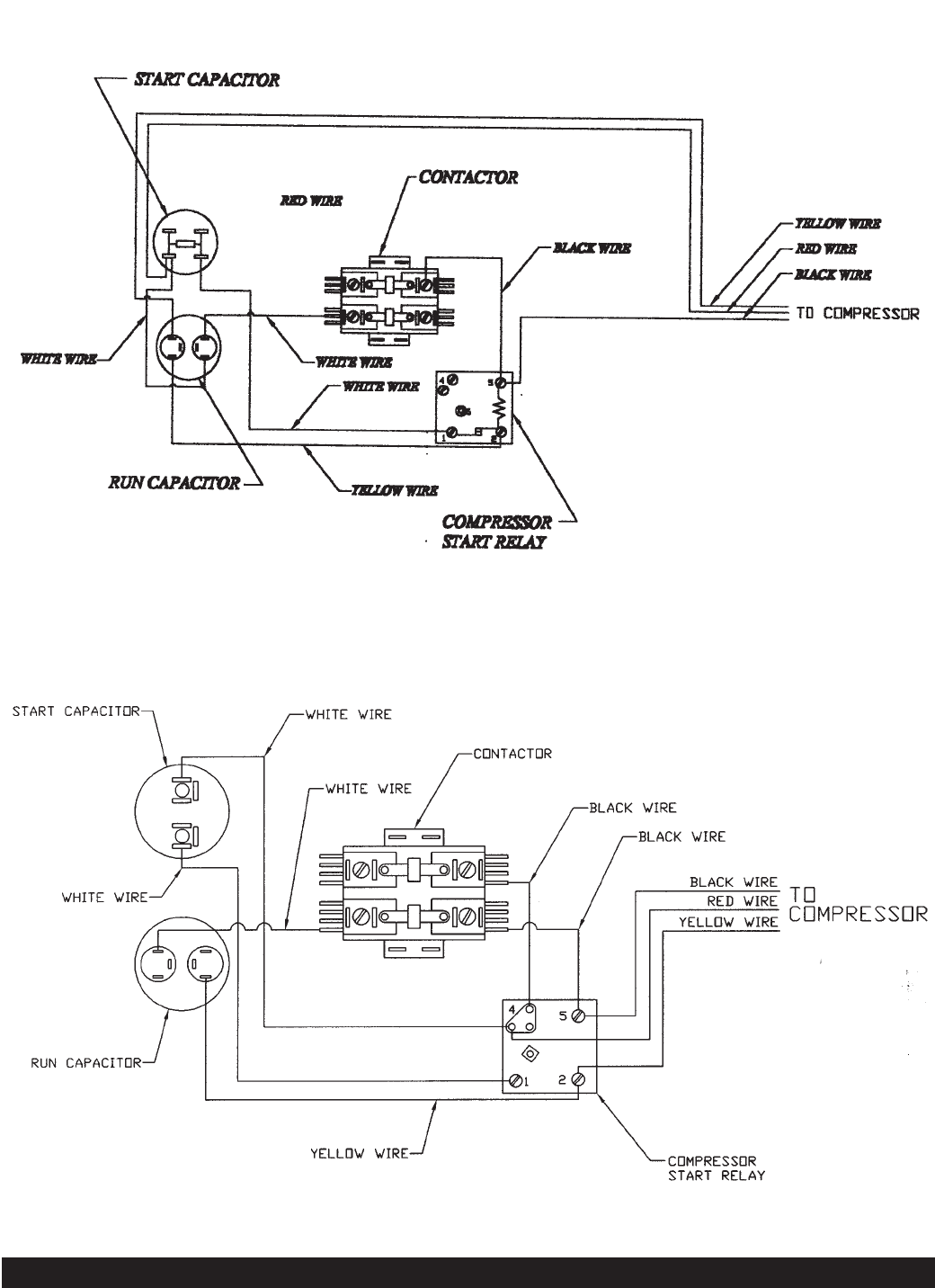
5311 Compressor
Wiring Diagram
5511 Compressor
Wiring Diagram
5511-0106-057-3-20-00
1
...
...
37
38
39
40
41
...
...
44