Service Manual User Manual
Table Of Contents
- 9020-7317 534B SERVICE MANUAL
- OPERATOR INSTRUCTIONS & LUBRICATION
- 8496 Operation & Lubrication Manual
- 8366 Operation & Lubrication Manual
- IMPORTANT SAFETY NOTICE
- INTRODUCTION
- SAFETY HIGHLIGHTS
- OPERATOR'S CAB
- CONTROL & INSTRUMENT IDENTIFICATION
- CHECKS & SERVICES BEFORE STARTING ENGINE
- ENGINE OPERATION
- WARM UP & OPERATIONAL CHECKS
- BRAKE SYSTEM
- STEERING SYSTEM
- DRIVE TRAIN
- MATERIAL HANDLING
- OPERATING PROCEDURES & TECHNIQUES
- PARKING
- STORAGE
- LUBRICATION & MAINTENANCE DIAGRAM
- 28327 Preventive Maintenance Chart
- HYDRAULIC SYSTEM
- 8497 System Operation Manual
- COVER
- NOMENCLATURE
- CAB CONTROLS AND GAGES
- ENGINE
- MAIN FRAME
- FRONT DRIVE AXLE
- DRIVE SHAFT
- REAR DRIVE AND STEERING AXLE
- TIRES
- TRANSMISSION & TORQUE CONVERTER
- STEERING CIRCUIT
- HYDRAULIC SERVICE BRAKE
- MECHANICAL PARKING BRAKE
- HYDRAULIC SYSTEM
- HYDRAULIC RESERVOIR
- HYDRAULIC PUMP
- MAIN CONTROL VALVE BANK
- MAIN PUMP CIRCUIT
- PILOT PUMP CIRCUIT
- HYDRAULIC CYLINDERS
- SWAY CIRCUIT
- LIFT CIRCUIT
- FRONT & REAR WHEEL DRIVE
- FORWARD / REVERSE LEVER (Neutral)
- FORWARD / REVERSE LEVER (Activated)
- INCHING
- TILT & COMPENSATING CIRCUITS
- OIL COOLER CIRCUIT
- CROWD (Boom In-Out) CIRCUIT
- AUXILIARY HYDRAULIC SYSTEM
- BOOM SECTIONS
- BOOM SLIDER PADS
- BOOM CROWD (IN-OUT) MOVEMENT
- MANUAL "QUICK-SWITCH" ASSEMBLY
- ELECTRICAL
- FUEL TANK
- 8369 System Operation Manual
- COVER
- NOMENCLATURE
- CAB CONTROLS AND GAGES
- ENGINE
- MAIN FRAME
- FRONT DRIVE AXLE
- DRIVE SHAFT
- REAR DRIVE AND STEERING AXLE
- TIRES
- TRANSMISSION & TORQUE CONVERTER
- STEERING CIRCUIT
- HYDRAULIC SERVICE BRAKES
- MECHANICAL PARKING BRAKE
- HYDRAULIC SYSTEM
- HYDRAULIC RESERVOIR
- HYDRAULIC PUMPS
- MAIN CONTROL VALVE BANK
- MAIN PUMP CIRCUITS
- PILOT PUMP CIRCUIT
- HYDRAULIC CYLINDERS
- SWAY CIRCUIT
- LIFT CIRCUIT
- FRONT & REAR WHEEL DRIVE
- FORWARD / REVERSE LEVER (Neutral)
- FORWARD / REVERSE LEVER (Activated)
- INCHING
- TILT & COMPENSATING CIRCUITS
- OIL COOLER CIRCUIT
- CROWD (Boom In-Out) CIRCUITS
- AUXILIARY HYDRAULIC SYSTEM
- BOOM SECTIONS
- BOOM SLIDER PADS
- BOOM CROWD (IN-OUT) MOVEMENT
- MANUAL "QUICK-SWITCH" ASSEMBLY
- ELECTRICAL
- FUEL TANK
- 81-515-009 Mico Sliding Caliper Disc Brakes Service Manual
- 81-600-001 Mico Guidelines for Installing Hydraulic Brake Components
- 81-950-016 Mico Brake Service Procedures
- 81-460-159 Mico Hydraulic Brake Valve
- 8497 System Operation Manual
- TESTING & ADJUSTING
- TROUBLE SHOOTING
- TRANSMISSION & TORQUE CONVERTER
- SM HR 182-3 Clark 18000 Series Powershift Transmission
- HOW THE UNITS OPERATE
- SECTIONAL VIEWS AND PARTS IDENTIFICATION
- DISASSEMBLY OF TRANSMISSION
- CLUTCH DISASSEMBLY
- CLEANING AND INSPECTION
- REASSEMBLY OF TRANSMISSION
- SERVICING MACHINE AFTER TRANSMISSION OVERHAUL
- TOWING OR PUSH STARTING
- SPECIFICATIONS AND SERVICE DATA
- LUBRICATION
- TROUBLESHOOTING GUIDE
- TYPICAL TWO AND THREE SPEED POWER FLOW
- PRESSURE CHECK POINTS
- CLUTCH AND GEAR ARRANGEMENT
- DRIVE PLATE INSTALLATION
- TRANSMISSION TO ENGINE INSTALLATION PROCEDURE
- SPEED SENSOR BUSHING INSTALLATION
- SM HR 182-3 Clark 18000 Series Powershift Transmission
- MISCELLANEOUS
- OPERATOR INSTRUCTIONS & LUBRICATION

See Lube Chart.
Consult Operator’s Manual on applicable machine
model for system capacity. Torque Converter,
Transmission and allied hydraulic system must be
considered as a whole to determine capacity
Check oil level DAILY with engine running at
500=600 RPM and oil at 180° to 200° F. 82.2
-93,3° C]. Maintain oil level to FULL Mark.
Every 500 hours, change oil filter element
Every 1000 hours, drain and refill system as
follows Drain with oil at 150 ° to 200° F. [65,6
-93° C].
NOTE: It is recommended that filter
elements be changed after 50 and 100 hours
of operation on new and rebuilt or repaired
units.
Drain transmission and remove sump
screen. clean screen thoroughly and
replace, using new gaskets.
Drain oil filters, remove and discard
filter elements. Clean filter shells and
install new elements.
Refill transmission to LOW mark.
Run engine at 500-600 RPM to prime
converter and lines.
Recheck level with engine running at
500-600 RPM and add oil to bring level
to LOW mark. When oil temperature is
hot (180-200° F.) [82,2-93,3° C] make final
oil level check. BRING OIL LEVEL TO
FULL MARK.
SPECIFICATIONS AND SERVICE DATA-POWER SHIFT TRANSMISSION
AND TORQUE CONVERTER
Full flow oil filter safety by-pass, also strainer screen
in sump at bottom f transmission case.
180-220 psi [1241,1 - 1516,8 kPa] - With parking
brake set (see note), oil temperature 180° - 200° F.
[82,2°-93,3°C], engine at idle (400 to 600 RPM). shift
thru direction and speed clutches. All clutch pressure
must be equal within 5 psi psi, [34,5 kPa] If, clutch pressure
varies in any one clutch more than 5 psi, [34,5 kPa] repair
clutch.
NOTE: Never use service brakes while making
clutch pressure checks. Units having brake
actuated declutching in forward and/or reverse
will not give a true reading.
ALWAYS USE PARKING BRAKE WHEN MAKING
CLUTCH PRESSURE CHECKS.
LUBRICATION
RECOMMENDED LUBRICANTS FOR CLARK POWER SHIFTED TRANSMISSION
AND TORQUE CONVERTERS
Converter outlet oil temp. 180° - 200° F.
82.3° - 93,3° C].
Transmission in NEUTRAL.
Operating specifications:
25 P.S.I. [172,4 kPa] minimum pressure at 2000
R.P.M. engine speed AND a maximum of 70 P.S.I.
[482,6 kPa] outlet pressure with engine operating at
no-load governed speed.
Forward and Reverse - Manual
Speed Selection - Manual
Multiple discs, hydraulically actuated, spring
released, automatic wear compensation and no
adjustment. All clutches oil cooled and lubricated.
Friction.
Steel.
CONVERTER OUT
C-2 Grade 30
C-3 Grade 30
Engine OIl: - Grade 30 API-CD/SE or CD/SF
MIL-L-2104C-Grade 30
MIL-L-2104D-Grade 30
MIL-L-2104C-Grade 10
MIL-L-2104D-Grade 10
C-2 Grade 10
C-3 Grade 10
Engine Oil:-Grade 10 API-CD/SE or CD/SF
Quintolubric 822-220 (Non Phosphate Ester Fire
Resistant Fluid)
*Dexron
*Dexron II D - See Caution Below
MIL-L-46167
MIL-L-46167 A
Conoco High-Performance Synthetic Motor Oil -
Spec. NO. 6718
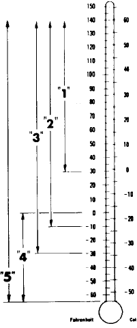
PREFERRED OIL VISCOSITY: Select highest oil viscosity compati-
ble with prevailing ambient temperatures and oil application chart.
Temperature ranges “2” and “3” may be used to lower ambient
temperatures when sump preheaters are used.
Temperature range “4” should be used only in ambient temperature
range shown.
MODULATED SHIFT TRANSMISSIONS: T12000, 18000, 24000,
28000 & 32000 series transmissions with modulated shift use only
C-3 or temperature range 3 items (a) & (b) *Dexron or *Dexron
II D. SEE CAUTION BELOW. 3000, 4000, 5000, 6000, 8000,
16000, 34000 series transmissions with modulated shift use only
C-3 or temperature range 3 item (a) only *Dexron. Do NOT use
*Dexron II D. SEE CAUTION BELOW.
CAUTION: *Dexron II D is not compatible with graphitic clutch
plate friction material UNLESS IT MEETS THE APPROVED C-3
SPECIFICATIONS. *Dexron II D cannot be used in the 3000,
4000, 5000, 6000, 8000, 16000, or 34000, series power shift
transmission, or the HR28000 & HR32000 series having con-
verter lock-up, or the C270 series converter having lock-up
UNLESS IT MEETS THE APPROVED C-3 SPECIFICATIONS.
Any deviation from this chart must have written approval from
the application department of the Clark-Hurth Components
PRESSURE
CONTROLS
CLUTCH TYPE
CLUTCH INNER DISC
CLUTCH OUTER DISC
Normal drain periods and filter change intervals are for coverage environmental and duty-cycle conditions. Severe
or sustained high operating temperatures or very dusty atmospheric conditions will cause accelerated deterioration
and contamination. For extreme conditions judgment must be used to determine the required change intervals.
OIL FILTRATION
CLUTCH PRESSURE
Prevailing Ambient Temperature
Temperature
Range
Temperature
Range
Temperature
Range
Temperature
Range
Temperature
Range
“1”
“2”
“3”
“4”
“5”
-38-
TYPE OF OIL
CAPACITY
CHECK PERIOD
NORMAL*
DRAIN PERIOD
(a)
(b)
(c)
(d)
(e)
Dextron is a registered trademark of
General Motors Corporation
«