Service Manual User Manual

Table Of Contents
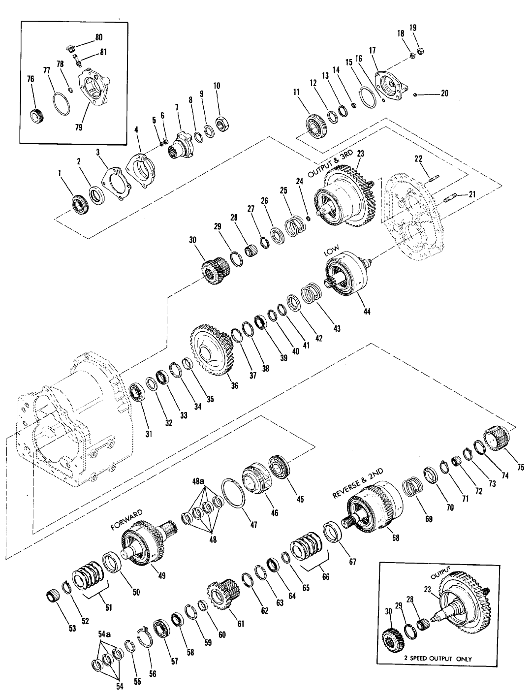
Figure D