User's Manual
Table Of Contents

I/O Setup
3A1149D 9
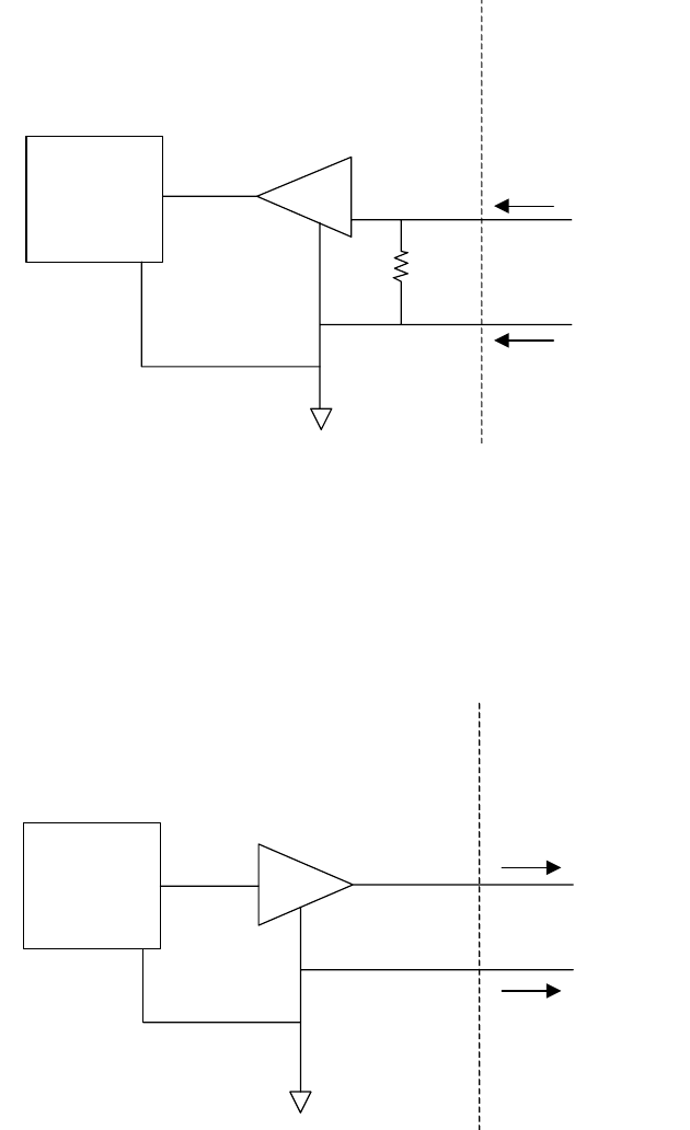
DGM Analog Inputs Overview
The analog inputs function only when the DGM is connected to a power supply through the CAN connection; see
Setup, page 14. Each analog input has a corresponding reference (ground) pin.
• Type: Sinking
• Voltage Rating: 0-10 Vdc
• Input Impedance: 20 k
DGM Analog Outputs Overview
The analog outputs function only when the DGM is connected to a power supply through the CAN connection; see
Setup on page 14. Each analog output has a corresponding reference (ground) pin.
• Type: Sourcing
• Voltage Rating: 0-10 Vdc, 10 mA at 10 Vdc
Ω
+
-
20kΩ
Discrete Gateway Customer Automation
Microcontroller
Analog Input +
Analog Input -
+
-
Discrete Gateway Customer Automation
Microcontroller
Analog Output +
Analog Output -
0-10VDC @10mA










