User's Manual
Table Of Contents

I/O Setup
3A1149D 7
DGM Digital Input Overview
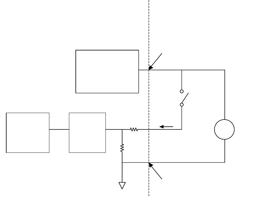
The digital inputs function only when power is supplied to pin 51 and there is a ground connection to pin 70. The dig-
ital input is rated at 0-30 VDC, and requires an NEC Class 2 power supply connected to pin 51. The DGM provides
optical isolation as shown in the following illustration.
• Pins: 52 – 59, 71-78
• Type: Sinking
• Maximum current draw: 3.6 mA
Microcontroller
Discrete Gateway
Customer Automation
Optical
Isolator
Digital Input
Isolated Logic ICs
24VDC
D-Sub Pin 51 (Isolated
Logic Supply)
D-Sub Pin 70
(Isolated Ground)
Microcontroller
Discrete Gateway
Customer Automation
Optical
Isolator
Isolated Logic ICs
24VDC
D-Sub Pin 51 (Isolated
Logic Supply)
D-Sub Pin 70
(Isolated Ground)










