User's Manual
Manuals
Brands
Graco Manuals
Hot Melt Equipment
Graco 334201A - Air Controls Kit
1
2
3
4
5
6
Table Of Contents
toc
Models
Related Manuals
Repair
Remove
Replace Director Valve
Replace Air Motor Regulator
Replace Air Regulators
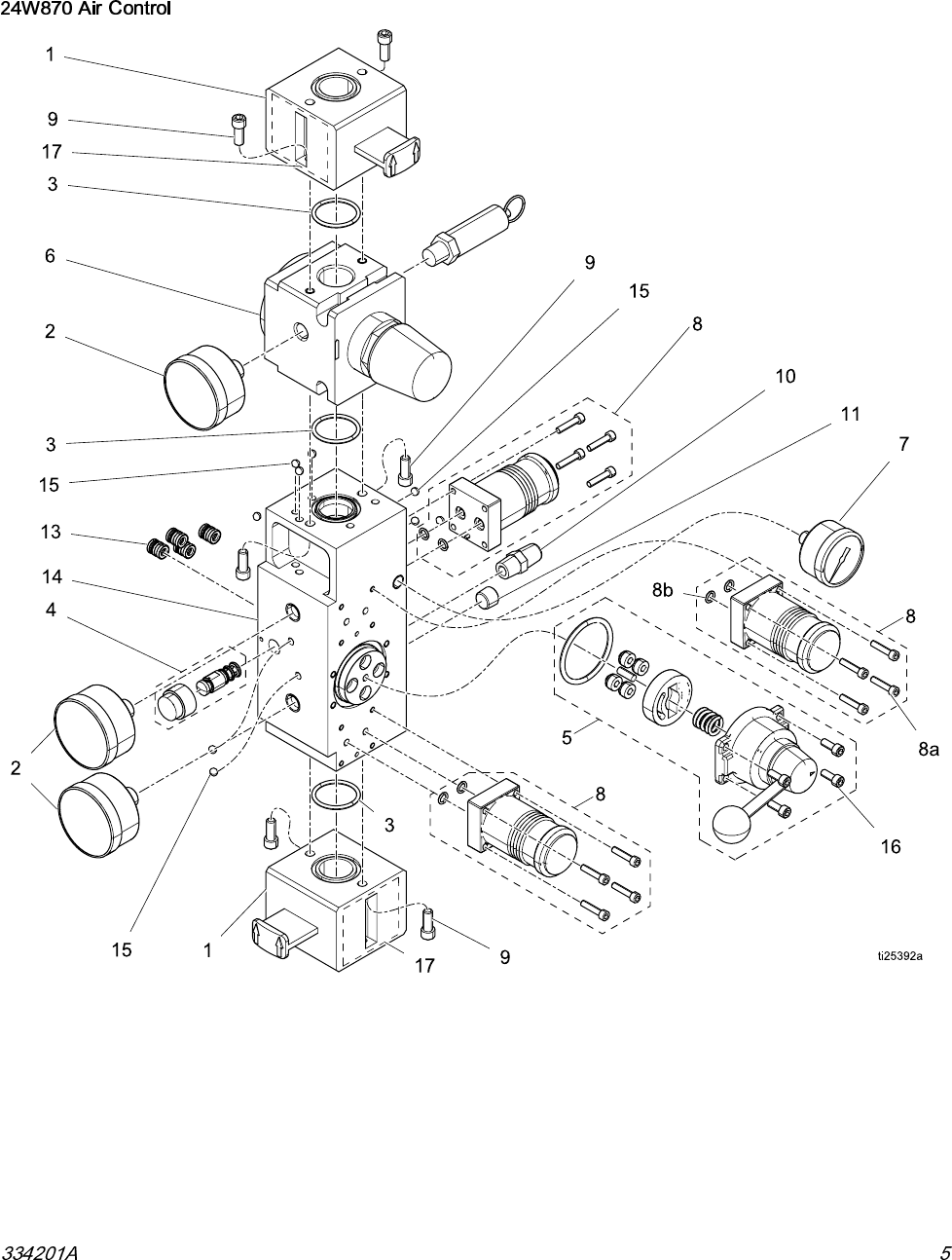
Parts
Graco Information
Par
ts
Parts
1
...
2
3
4
5
6