User's Manual
Table Of Contents

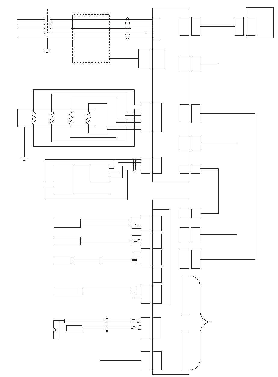
Electrical Schematics
333347F 79
System
AWB
J2 J9
J4
J7
W1
W2
W4
GND
W3
1
2
4
3
5
1
2
4
3
5
1
2
4
3
5
ADM
1
2
3
4
5
6
7
8
1
2
3
4
5
6
7
8
L1
L2
GND
J3
1
2
1
2
J1
-
N
L
+
-
N
L
+
MZLP 1
J5
J12
J16
1
2
3
4
J14
J13
1
2
3
4
J15
112A
J1
1
2
1
2
J6
1
2
4
3
5
1
2
4
3
5
J2
L1
L2
L3
GND
J3
1
2
4
3
5
J8
A
B
C
D
E
F
G
H
J
K
L
J9
A
B
C
D
E
F
G
H
J
K
L
L1
L2
L3
GND
J6
L1
L2
L3
GND
L1
L2
L3
GND
J8
1
2
4
3
5
1
2
4
3
5
6T3
4T2
2T1
5L3
3L2
1L1
NN
L3
DC OK
DC OK
-V
-V
+V
+V
GND
N
L
TEMP
TEMP
FAN +
FAN -
TEMP
TEMP
FAN +
FAN -
1
2
3
4
1
2
3
4
1
2
3
4
1
2
3
4
1
2
4
3
5
1
2
4
3
5
1
2
4
3
5
6
1
2
4
3
5
6
1
2
4
3
5
1
2
4
3
5
J5
L1
L2
L3
GND
L1
L2
L3
GND
1
2
3
4
140
138
143
123
30
129
90
148
136
103
112
1201
9
20 86 126
12425
125
251
121
Melter OT Switch
and Melter RTD
Motor Cycle Switch
Fill Sensor
Air Solenoid
Optional Light Tower
Hose / Applicator Wiring
Transformer
Option
87
208 210 209 210
147
146
Band Pump Melter Base
To MZLP #2 4 and 6
Channel Option, see
page 108 and 110.
To MZLP #2 4 and 6
Channel Option, see
page 108 and 110.
Ground
Stud
GB1










