
Technical Data
128 333347F
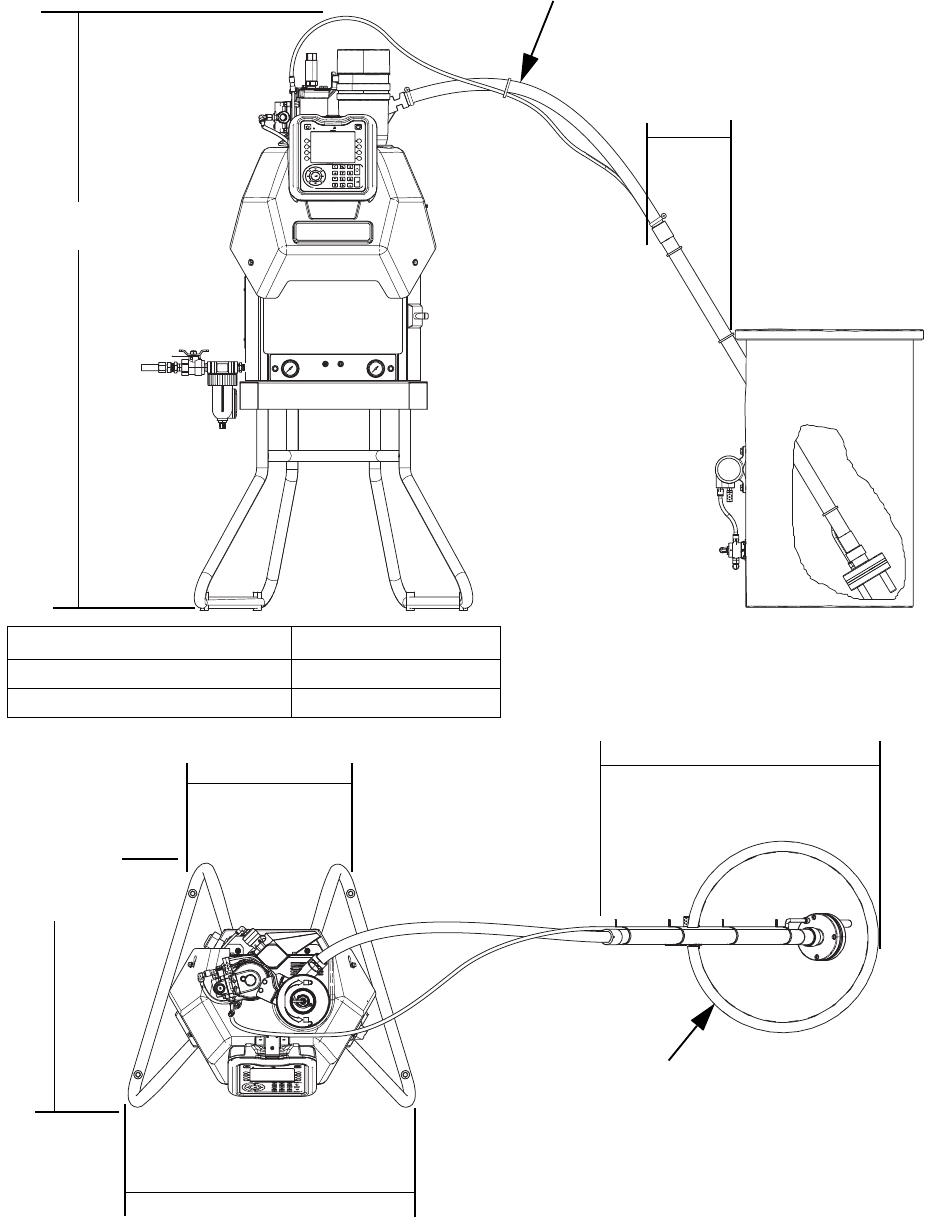
System with Stand and Vacuum Feed Dimensions
ti22866b
A
ti22865a
Tube Bend Radius:
8.0 in. (203 mm)
12.0 in.
(305 mm)
30.0
(762 mm)
Radius:
9.1 in. (232 mm)
31.3
(795 mm)
17.4
(442 mm)
27.2 in.
(692 mm)
A in. (mm)
System 60.7 in. (1542 mm)
System With Transformer 66.5 (1689 mm)