User's Manual
Table Of Contents

Accessories
106 333347F
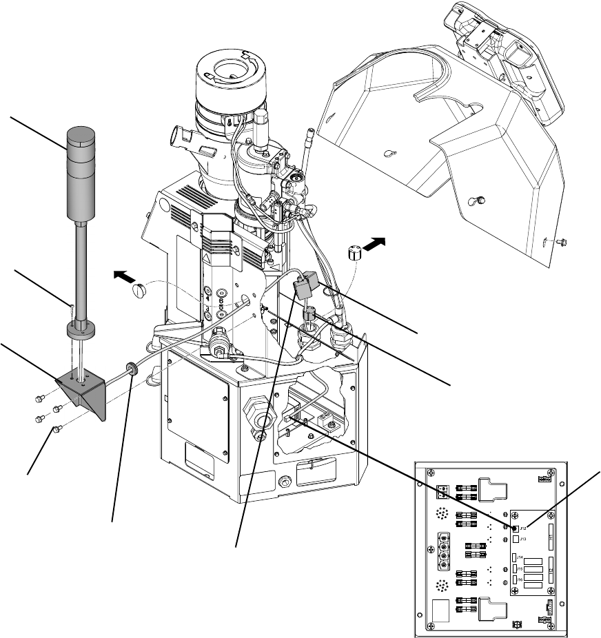
Light Tower Kit, 24R226
The light tower enables someone away from the system to quickly see whether the system is inactive or OFF (no
lights), warming up (flashing green), at temperature (solid green), or has an active error (red).
24R226 Parts
--- Not for sale.
J1
J2
J3
J6
J5
J7
F10
F9
F8
F7
F6
F5
F4
F3
F2
F1
WLD
1201
1203
1202
1204
1205
J12
AA
BB
1201a
Ref Part Description Qty
1201 16T102 LIGHT, tower, red and green 1
1201a --- SCREW 3
1202 --- GROMMET, single cable 1
1203 16K322 BRACKET, light tower 1
1204 --- GROMMET, multiple wires 1
1205 125835 CLIP, ferrite bead 1










