Operation Manual

E-9
APPENDIX E/ Common Circuit Connections
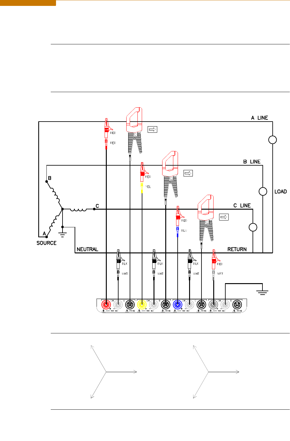
3 Phase, Four Wire Wye
Introduction
Channels A, B, and C are connected to voltage and current probes. The neutral is
connected to common and is the reference for the three channels. The figure also shows
voltage connection using channel D as a differential input for measuring neutral to
ground voltage. Neutral to ground measurements are important but optional.
Connection
diagram
Phasor
diagrams
PX5-903
V
A
V
B
0º
120º
V
C
240º
I
A
I
B
0º
120º
I
C
240º










