Operation Manual
Table Of Contents
- Title Page - Energy Platform User Guide
- Table of Contents
- Chap 1 Getting Started
- Chap 2 Voltage Measurement Cable and Current Probe Connections
- Chap 3 View Real Time Data
- Chap 4 Instrument Settings
- Chap 5 Start Menu
- Chap 6 Advanced Setup Options
- Chap 7 View Event Data
- Chap 8 Reports
- Chap 9 Downloading Events
- Appendix A Optional Accessories
- Appendix B Technical Specifications
- Appendix C Battery Specifications and Replacement Procedure
- Appendix D User Replaceable Parts List
- Appendix E Common Circuit Connections
- Appendix F Event Classification
- Appendix G Energy Platform Menu Structure

E-7
APPENDIX E/ Common Circuit Connections
Single Phase
Introduction
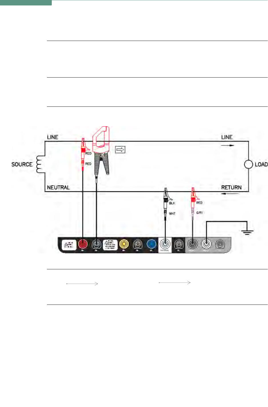
When making voltage connections to a single phase circuit use channel A differential
inputs as shown below. The figure also shows voltage connection using channel D as a
differential input for measuring neutral to ground voltage.
NOTE
Be sure to connect the current probe with the arrow on the handle pointing towards the
load or an erroneous power reading will result.
Connection
diagram
Phasor
diagrams
EP-901
0º
V
A
0º
I
A










