User manual

Strona 19 z 29
Dystrybucja Conrad Electronic Sp. z o.o., ul. Kniaźnina 12, 31-637 Kraków, Polska
Copyright © Conrad Electronic 2012, Kopiowanie, rozpowszechnianie, zmiany bez zgody zabronione.
www.conrad.pl
www.conrad.pl
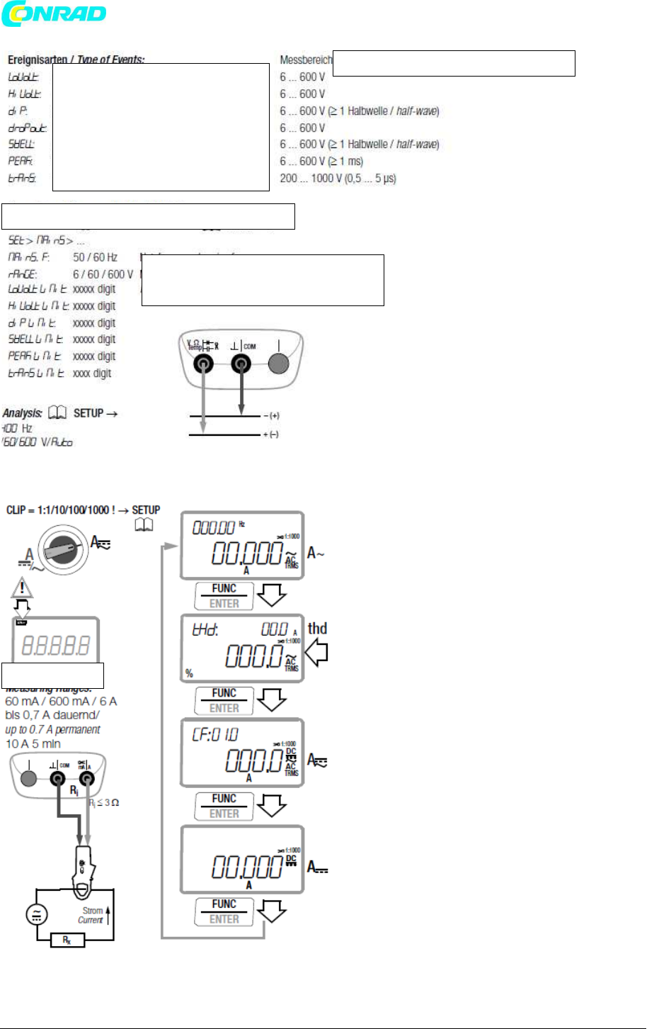
Pomiar z transformatorem zacisku prądowego
Rodzaj zdarzeń
Dolna wartość progowa
Górna wartość progowa
Spadek napięcia
Zakłócenie mocy
Wzrost napięcia
Impuls/napięcie szczytowe
Napięcia przejściowe
Z
akres
pomiarowy
W
artośc
i graniczne/wartości wyzwolenia menu MAINS SETUP
Częstotliwość sieci
Zakres pomiarowy analiza jakości mocy
Z
akres
y
pomiarow
e










