User manual

Strona 17 z 29
Dystrybucja Conrad Electronic Sp. z o.o., ul. Kniaźnina 12, 31-637 Kraków, Polska
Copyright © Conrad Electronic 2012, Kopiowanie, rozpowszechnianie, zmiany bez zgody zabronione.
www.conrad.pl
www.conrad.pl
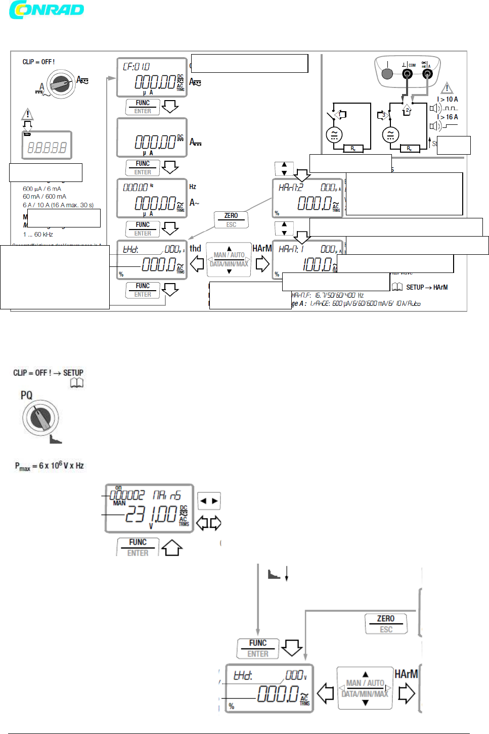
Pomiar prądu pulsacyjnego/DC/AC/częstotliwości
Monitorowanie sieci – analiza jakości mocy/ Analiza harmoniczna
liczba zdarzeń
wartość chwilowa
wartość RMS odchyleń w V
suma wszystkich odchyleń w %
z odniesieniem do wartości fundamentalnej
Zakresy pomiarowe A
Zakres pomiarowy Hz
Wartość RMS wszystkich odchyleń w
A
Suma wszystkich odchyleń w % z
odniesieniem do wartości
fundamentalnej
Harmonika: 2…15
Częstotliwość linii:
Zakres pomiarowy A:
Parametr analizy harmonicznej
100% wartości fundamentalnej
HArM 1 wartość RMS fali fundamentalnej w A
Wartość skuteczna 2ga Harmonika
2gie odchylenie harmoniczne
Fala fundamentalna: 1 harmonika
Współczynnik szczytu 1 …11%
Prąd










