Air Conditioner User Manual
Manuals
Brands
Goldstar Manuals
Air Compressor
LWC061JGMK1
21
22
23
24
25
26
27
28
29
30
Table Of Contents
#EV#
—
27
—
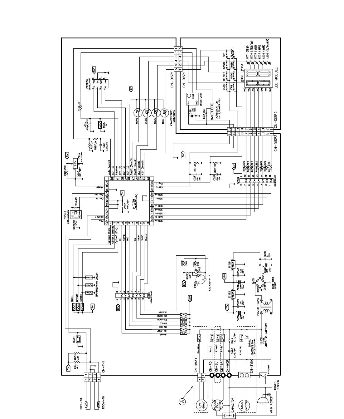
5.2 ELECTRONIC CONTR
OL DEVICE
1
...
...
25
26
27
28
29
...
...
32