5 Quart Mixer Spec Sheet

2153 Dryden Rd., Dayton, OH 45439 | 937-299-5493 | 800-347-5423 | Fax: 937-299-4147 | www.globefoodequip.com
05-2015 Printed in U.S.A. © Globe Food Equipment Company Specifications are subject to change without notice.
5 Quart Countertop Mixer SP5
Drawings available through KCL at www.kclcad.com.
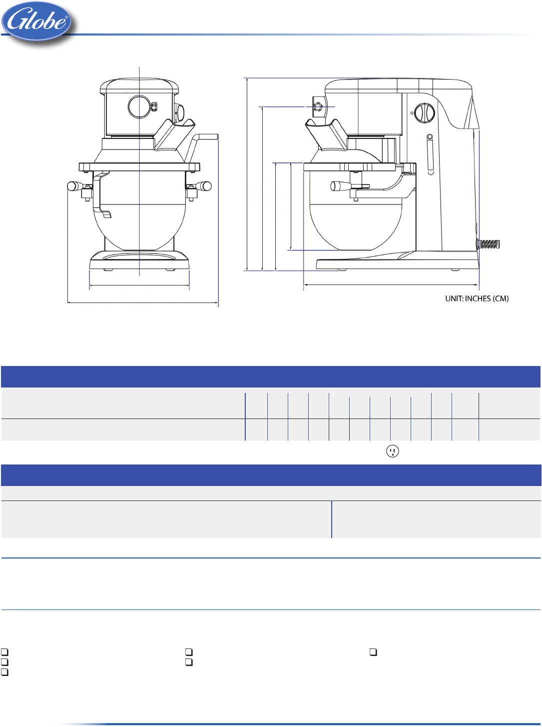
DIMENSIONS | SHIPPING INFORMATION
Cartons are reinforced for shipping. The weight and dimensions of this reinforced carton are included below and may vary from shipment to shipment.
Model
Base Foot Print Overall Dimensions Net Wt Shipping Dimensions Shipping Wt
SP5
8.8" w x 15.3" d
(22 cm x 39 cm)
13'' w x 15.3" d x 17'' h
(33 cm x 39 cm x 43 cm)
33 lbs
(15 kg)
15" w x 18.5'' d x 21.5'' h
(37 cm x 46 cm x 52 cm)
40 lbs
(18 kg)
SPECIFICATIONS
Model Motor Volts Amps
Transmission
Type
Capacity
0 1 2 3 4 5 6 7 8 9 10
SP5 800 w
115/60/1
4 Gear 5 qt
4.7 liter
OFF 30 50 70 90 105 120 145 165 180 200 50 to 450
Agitator Speeds (RPMs)
Attachment Speeds
(RPMs)
Cord & Plug: Attached 6-foot flexible 3-wire cord with molded plug fits a grounded receptacle. NEMA 5-15P
13.1 (33)
8.8 (22) 15.3 (39)
17.1 (43)
14.5 (37)
9.6 (24)
7.7 (20)
Mixer is constructed of a rigid cast aluminum body with 10 speeds. Unit has an 800 w motor with overload protection and a gear-driven,
high torque permanently lubricated transmission. Mixer comes standard with 5 qt stainless steel bowl, flat beater, wire whip, and dough hook
and splash cover with ingredient chute. Mixer has #10 attachment hub and bowl lift. Mixer is NSF and ETL listed. Two year parts and one
year labor warranty.
OPTIONAL MIXER ACCESSORIES AND HUB ATTACHMENTS
XXBOWL-5 5 qt stainless steel bowl
XXBEAT-5 Stainless steel flat beater
XXHOOK-5 Stainless steel spiral dough hook
XXWHIP-05 stainless steel wire whip
XTable stainless steel countertop mixer table
with undershelf
(30'' W x 24'' D x 24'' H)
EXTENDED WARRANTY SP-XD58 Extended
warranty for SP5 mixer, extends factory warranty to
2 years. Available only at time of purchase.


