User Manual
Table Of Contents

- 5 -
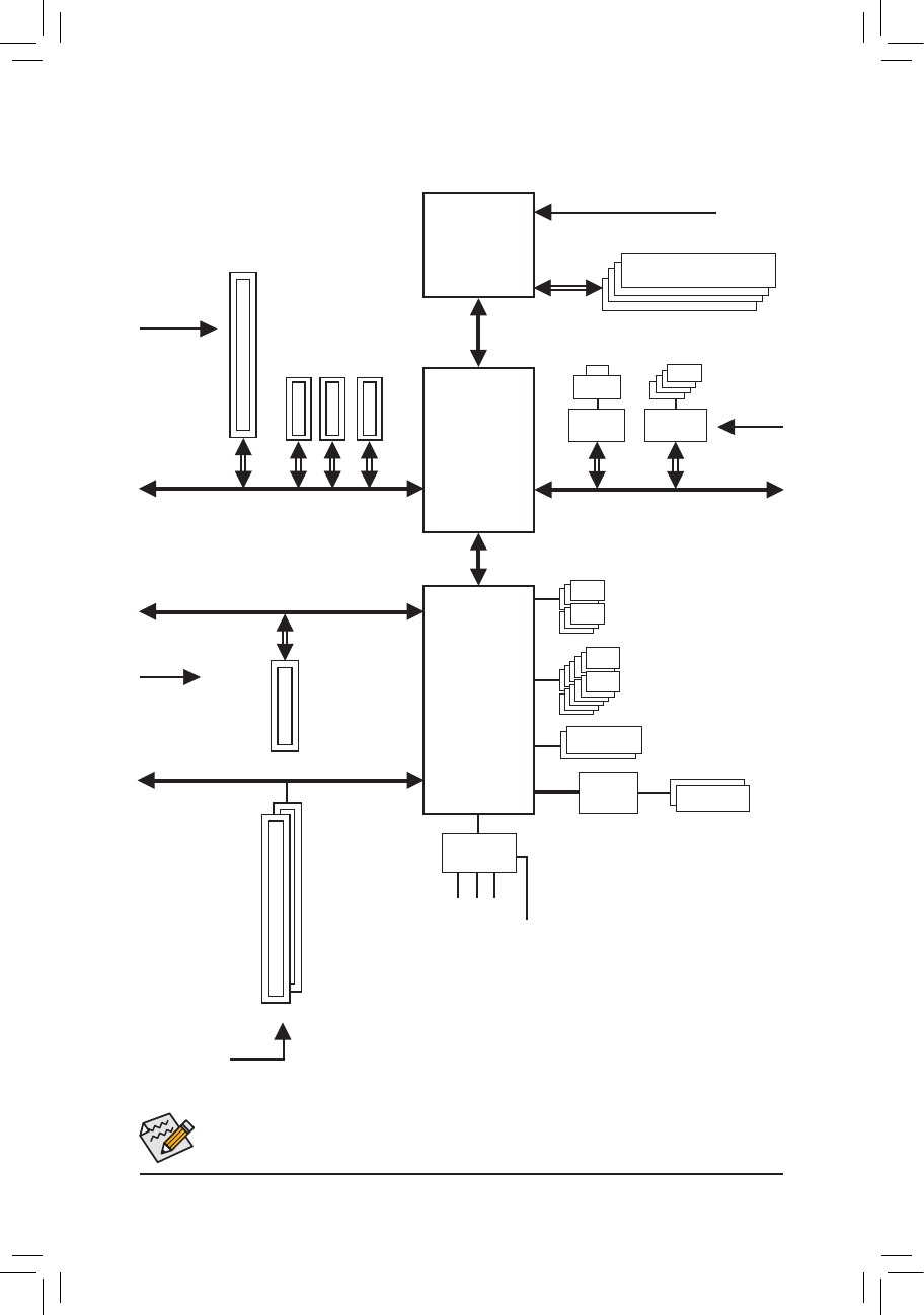
GA-970A-DS3P Motherboard Block Diagram
For detailed product information/limitation(s), refer to "1-2 Product Specications."
AMD 970
CPU CLK+/- (200 MHz)
Dual Channel Memory
PCI Bus
AM3+/AM3 CPU
2 PCI
PCI CLK
(33 MHz)
DDR3 2000 (O.C.)/1866/1600/
1333/1066 MHz
iTE
®
Super I/O
LPC
Bus
PS/2 KB/Mouse
Dual BIOS
12 USB 2.0/1.1
6 SATA 6Gb/s
AMD SB950
PCI Express Bus
PCIe CLK
(100 MHz)
PCIe CLK
(100 MHz)
1 PCI Express x16
x16
x4
x1 x1 x1
3 PCI Express x1
1 PCI Express x4
x1
LAN
RJ45
Realtek
®
GbE LAN
PCIe CLK
(100 MHz)
4 USB 3.0/2.0
x1
VIA
®
VL805
Hyper Transport Bus
PCI Express Bus
PCI Express Bus
Line Out (Front Speaker Out)
MIC (Center/Subwoofer Speaker Out)
Line In (Rear Speaker Out)
S/PDIF Out
CODEC