User Guide

COLD WEATHER KIT
For cold climates, optional cold weather kit (part 
number 0F6148) is recommended. The kit includes:
• Battery Warmer
•  4” Junction Box with hardware
•  6 qt. pack 5W-30 synthetic oil (engine)
RECONFIGURING THE FUEL SYSTEM
NOTE:
All models are configured for natural gas or LP 
vapor from the factory.
To reconfigure the fuel system from NG to LP, follow 
these steps:
1.  Turn the main gas supply off.
2.  Remove the carburetor fuel hose from the outlet 
port (Port 1) of the demand regulator (Figure 
6.2).
3.  Remove the brass hose fitting from the outlet port 
(Port 1) of the demand regulator.
4.  Remove pipe plug from Port 2.
5.  Install brass hose fitting into Port 2.
6.  Install pipe plug into Port 1.
7.  Connect carburetor gas hose to brass fitting.
8.  Tighten all clamps and plugs.
9.  Make sure fuel supply is of the proper pressure 
and type for configuration.
10. Reverse the procedure to convert back to natural 
gas.
11. The Dip switch inside the control panel must be 
in the LP or NG position when switching to differ-
ent fuels.
Figure 6.2 — Reconfigure the Fuel System
NG FUEL SYSTEM
LP FUEL SYSTEM
Port 1
Port 2
FUEL HOSE
BRASS HOSE
 FITTING
HOUSING
 PORTS
OUT
PORT 2
PLUG
FUEL HOSE
BRASS HOSE
 FITTING
HOUSING
 PORTS
PLUG
OUT
PORT 1
NOTE:
Port 1 is for NG only and Port 2 is for LP vapor 
only. No provision for dual fuel has been made.
NOTE:
For LP vapor application substitue LPG fuel inlet 
decal P/N 050280 for NG fuel inlet decal P/N 
050279.
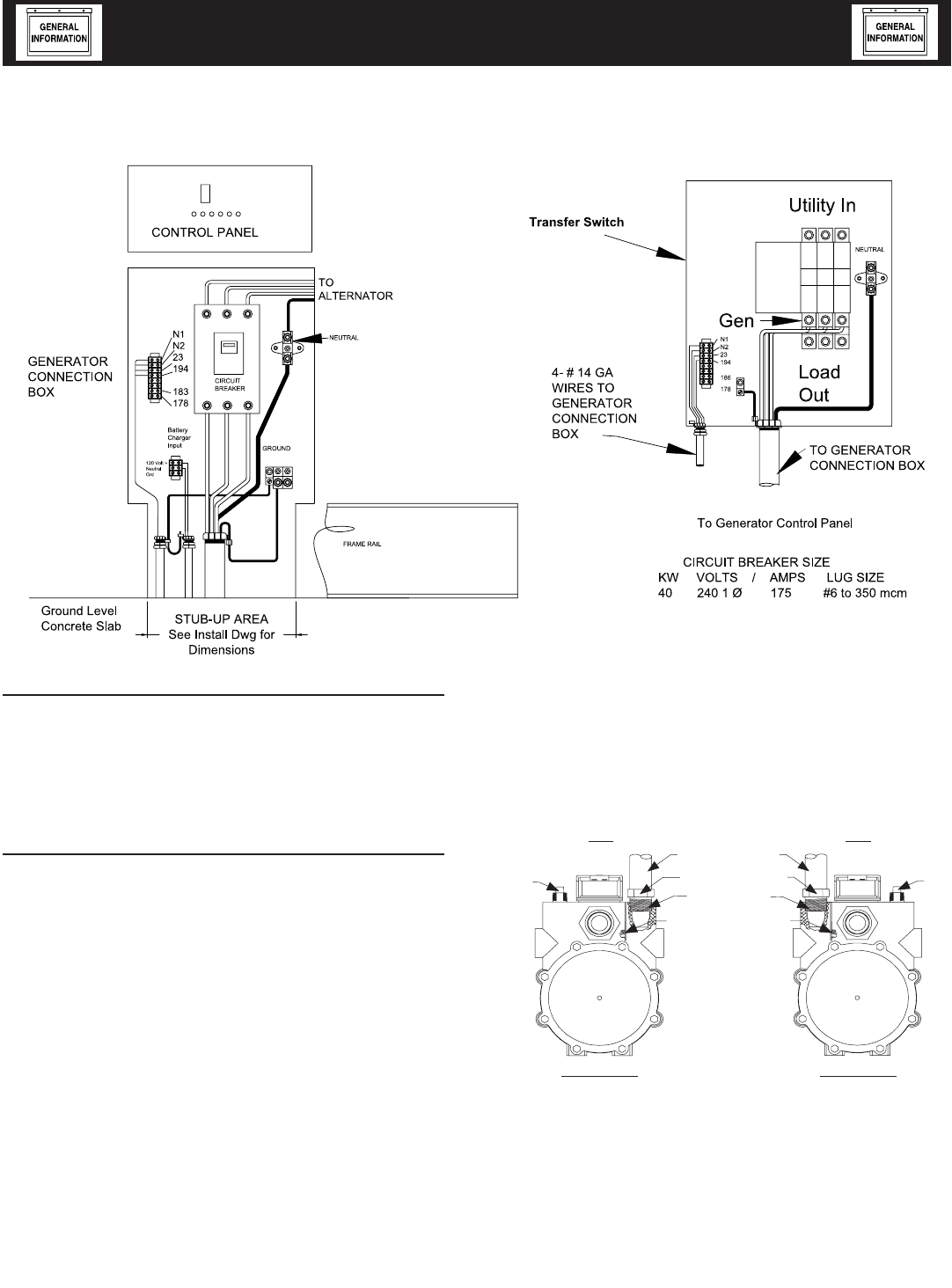
Figure 1 — Interconnections
6-2
Standby Generator Sets
Specifications
GenSpec001 Rev. D 11/05










