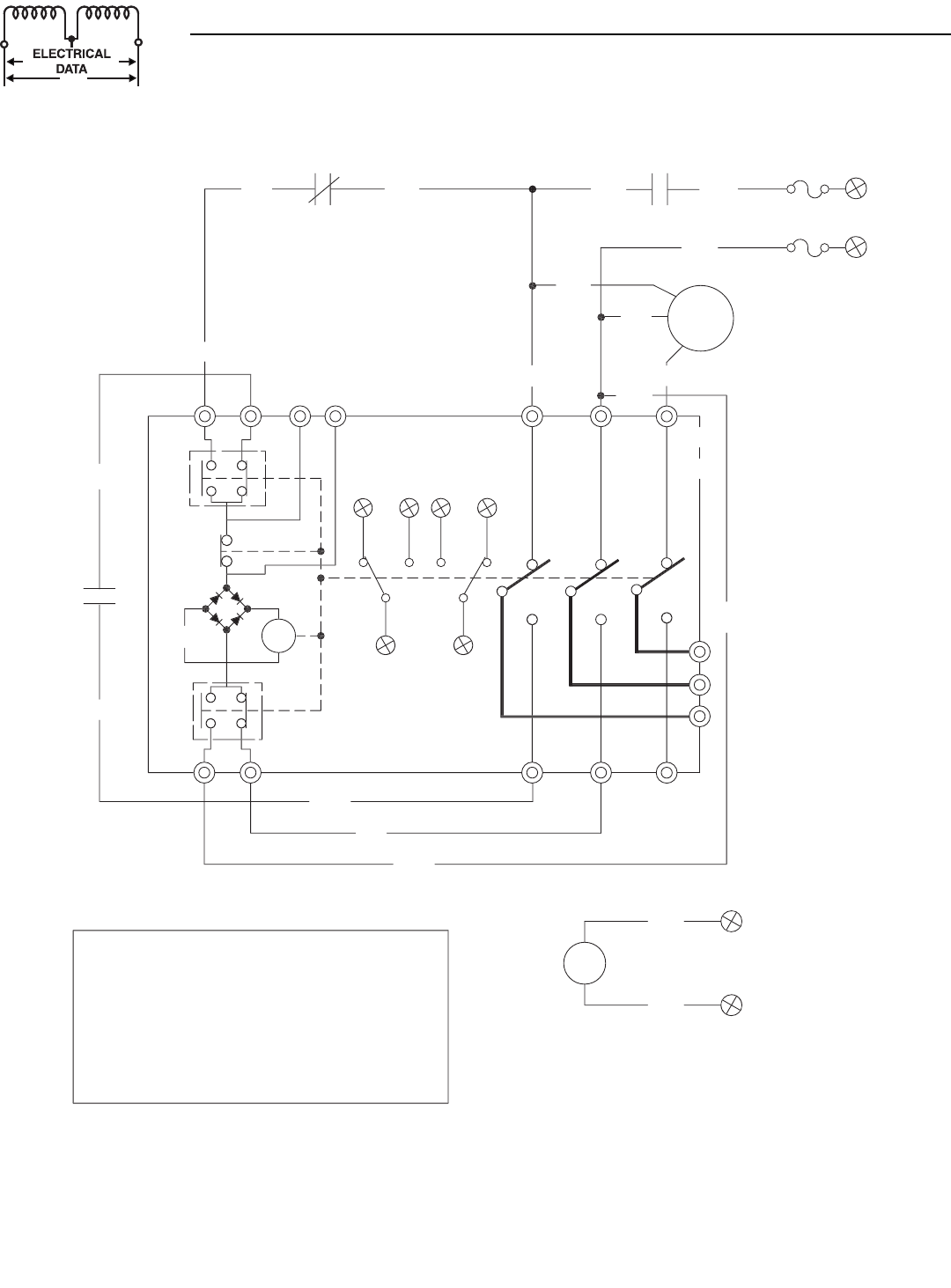
User Guide

B2
A2
B1
A1
C
6
9
TR
1
7
TR
E1
E1
N2A
N2A
N1B
E
2
2
05
12
6
TR
2
3
1
94
2
3
1
94
N2A
LE
G
EN
D
G
T
S
N
O
TE
S:
1.
)
 ALL CONTACTS SHOWN WIT
H
TRAN
S
FER 
S
WIT
C
H IN 
U
TILIT
Y
P
OS
ITI
O
N
.
B
A
WHITE
RED
L
S2
L
S3
L
S1
T
1
T2
2
3
5
6
1
4
C
 - 
CO
NTA
C
T
O
R A
C
T
U
ATIN
G
CO
I
L
G
T
S
 - TRAN
S
FER 
S
WIT
C
H 
CO
NTA
C
T
OR
LS1
,
LS2
,
LS3 - LIMIT SWITCHES
,
 ACTUATO
R
PM - POWER MONITOR
,
 3 PHASE UTILIT
Y
TR - RELAY
,
 TRANSFE
R
TS - TERMINAL STRIP 
(
CUSTOMER CONNECTION
)
3
4
5
N1B
N2A
N
3
PM
N1B
N1A
PM
F2
N2
N1
F1
N1B
N2A
12
6
F1
,
F2 - FUSE 5A SENSIN
G
1
8
ADD 
JU
MPER WIRE FR
O
M P
M
TERMINAL
S
 1 T
O
8.
2.
)
 FOR SINGLE PHASE OPERATION
,
12 Generac
®
Power Systems, Inc.
Section 5 — Electrical Data
Generac GTS “W” Type Transfer Switch
200 Amp, 3-pole Switch – Drawing No. 0D3818-A










