User manual

B2
A2
B1
A1
C
6
9
TR
1
7
TR
E1
E1
N2A
N2A
N1A
E2
2
05
12
6
TR
2
3
1
94
2
3
1
94
N2A
LE
G
EN
D
G
T
S
N
O
TE
S:
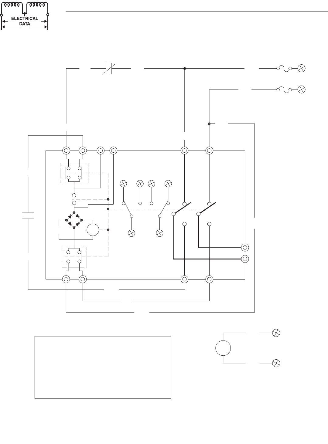
A
LL
CO
NTA
C
T
S
S
H
O
WN WIT
H
TRAN
S
FER
S
WIT
C
H IN
U
TILIT
Y
P
OS
ITI
O
N
.
B
A
WHITE
RED
L
S2
L
S3
L
S1
T
1
T2
2
3
5
6
1
4
C
-
CO
NTA
C
T
O
R A
C
T
U
ATIN
G
CO
I
L
G
T
S
- TRAN
S
FER
S
WIT
C
H
CO
NTA
C
T
OR
LS1
,
LS2
,
LS3 - LIMIT SWITCHES
,
ACTUATO
R
TR - RELAY
,
TRANSFE
R
TS - TERMINAL STRIP
(
CUSTOMER CONNECTION
)
N1A
F2
N2
N1
F1
N1A
N2A
12
6
F1
,
F2 - FUSE 5A SENSIN
G
10 Generac
®
Power Systems, Inc.
Section 5 — Electrical Data
Generac GTS “W” Type Transfer Switch
200 Amp, 2-pole Switch – Drawing No. 0D3819-A










