Recreational Vehicle Generator Repair Manual
SSeeccttiioonn 55
EENNGGIINNEE DDCC CCOONNTTRROOLL SSYYSSTTEEMM
Page 22
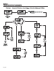
CIRCUIT CONDITION- SHUTDOWN:
Setting the START-STOP SWITCH (SW1) or the
REMOTE PANEL START-STOP SWITCH to its
“STOP” position connects the Wire 18 circuit to frame
ground. Circuit board action then closes the circuit to
Wire 18A, grounding the ignition magneto. Circuit
board action de-energizes DC output to Terminal J2.
The FUEL PUMP (FP), FUEL SOLENOID (FS) and
CHOKE HEATER (CH) are de-energized by the loss
of DC to Wire 14. Ignition and fuel flow terminate and
the engine shuts down.










