Recreational Vehicle Generator Repair Manual
SSeeccttiioonn 55
EENNGGIINNEE DDCC CCOONNTTRROOLL SSYYSSTTEEMM
Page 23
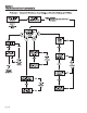
CIRCUIT CONDITION- FAULT SHUTDOWN:
The engine mounts a HIGH OIL TEMPERA-
TURE SWITCH (HTO) and a LOW OIL PRES-
SURE SWITCH (LOP).
Should engine oil temperature exceed a pre-
set value, the switch contacts will close. Wire
85 from the circuit board will connect to frame
ground. Circuit board action will then initiate a
shutdown.
Should engine oil pressure drop below a safe
pre-set value, the switch contacts will close.
On contact closure, Wire 85 will be connected
to frame ground and circuit board action will
initiate an engine shutdown.
The circuit board has a time delay built into it
for the Wire 85 fault shutdowns. At STARTUP
ONLY the circuit board will wait approximately
6 seconds before looking at the Wire 85 fault
shutdowns. Once running after the 6 second
time delay, grounding Wire 85 thru either
switch will cause an immediate shutdown.










