Use and Care Manual

49-2000776 Rev. 2 11
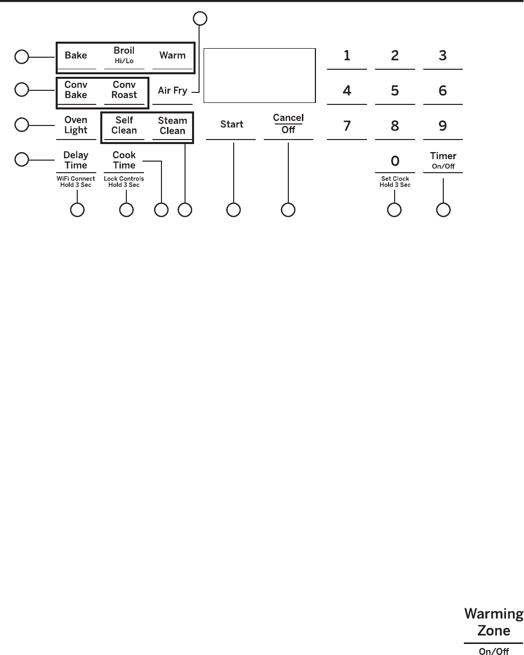
USING THE RANGE: Oven Controls
Oven Controls
1. Convection Cooking Modes: Convection
cooking modes use increased air circulation to improve
performance. The type of benefit depends on the
mode. Your oven has the following convection cooking
modes: Convection Bake and Convection Roast. See
the Cooking Modes section for more information.
2. Traditional Cooking Modes: Your oven has
the following traditional cooking modes: Bake, Broil
Hi/Lo, and Warm. See the Cooking Modes section for
more information.
3. Clean: Your oven has two cleaning modes: Self
Clean and Steam Clean. See the Cleaning the Oven
section for important information about using these
modes.
4. Start: Must be pressed to start any cooking,
cleaning, or timed function.
5. Cancel/Off: Cancels ALL oven operations except
WKHFORFNWLPHU:DUPLQJ'UDZHUDQG:DUPLQJ=RQH
6. Cook Time: Counts down cooking time and turns
off the oven when the cooking time is complete. Press
the Cook Time pad, use the number pads to program
a cooking time in hours and minutes, then press Start.
This can only be used with Bake, Convection Bake,
Convection Roast, Warm, and Air Fry.
You may use Cook Time at any point during the oven
cooking cycle
7. Clock: Press and hold the 0 pad for 3 seconds to set
clock.
8. Timer On/Off: Works as a countdown timer.
Press the Timer On/Off pad and the number pads
to program the time in hours and minutes. Press the
Start pad. The timer countdown is complete. To turn
the timer off press the Timer On/Off pad.
9.
Delay Time: 'HOD\VZKHQWKHRYHQZLOOWXUQRQ8VH
this to set a time when you want the oven to start. Press
the Delay Time pad and use the number pads to program
the time of day for the oven to turn on then press Start.
Press the desired cooking mode and temperature then
press Start. A Cook Time may also be programmed if
desired. Follow the directions under Cook Time for setting
this feature. This can only be used with Bake, Convection
Bake, Convection Roast, and Self-Clean.
NOTE: :KHQXVLQJWKH'HOD\7LPHIHDWXUH foods that
VSRLOHDVLO\²VXFKDVPLONHJJVILVKVWXIILQJVSRXOWU\
DQGSRUN²VKRXOGQRWEHDOORZHGWRVLWIRUPRUHWKDQ
1 hour before or after cooking. Room temperature
promotes the growth of harmful bacteria. Be sure that
the oven light is off because heat from the bulb will
speed harmful bacteria growth.
10. Oven Light: Turns the oven light on or off.
11. Lock Controls: Locks out the control so that
pressing the pads does not activate the controls. Press
the Lock Controls pad, for three seconds to lock or
unlock the control. Cancel/Off is always active, even
when the control is locked.
12. WiFi Connect (on some models): For
instructions on how to connect your oven, see the WiFi
Connect section of this manual.
13. Air Fry: The Air Fry mode is designed to produce
foods with a crispier exterior than traditional oven
cooking. See the Oven Cooking Modes section for
more information.
14. Warming Zone (on some
models): 7KH:DUPLQJ=RQHZLOO
keep hot, cooked food at serving
WHPSHUDWXUH6HHWKH:DUPLQJ=RQH
section for more information.
1
10
9
2
13
34 5
12
78
11
6










