System Maintenance Manual
Manuals
Brands
Garmin Manuals
Flight Decks
Garmin MDL Rev 2, SA01535Wi_D
31
32
33
34
35
36
37
38
39
40
Page 2-14
G1000 / GFC 700 System Main
tenance Manual - 300/B300 Series King Air
Revision 1
190-00716-01
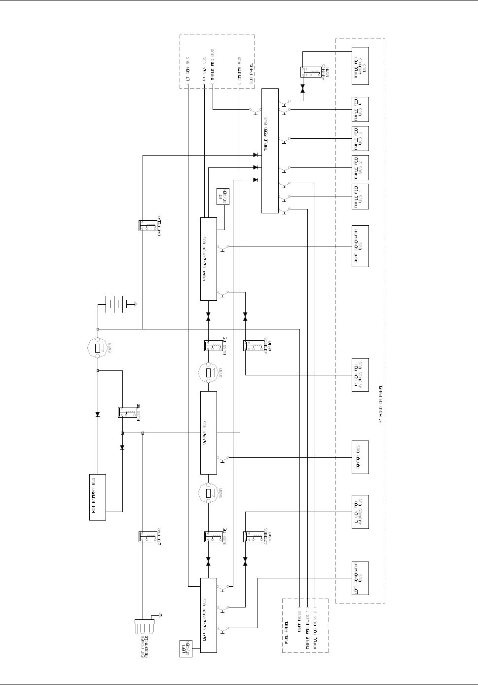
Figure 2-20, 300/B300 Electrical Distribution (Post G1000 STC)
1
...
...
30
31
32
33
34
...
...
302