INSTALLATION AND OPERATION MANUAL GAS FRYER C836-1-35F

Pièce nº 4518632 (02/19/08) Page 15
DÉPANNAGE ET RÉGLAGES suite
Étalonnage Du Thermostat
Pour étalonner le thermostat Fenwall, remplir le bassin de
friture jusqu’à la marque FULL avec du produit à friture et
allumer le brûleur. Insérer un thermomètre au centre du
bassin de friture avec le bulbe à environ deux pouces sous
la surface. Attendre que le brûleur s’allume et s’éteigne
environ quatre fois ; l’indication du thermomètre devrait
être di érente de moins de 5° du réglage du bouton du
thermostat. Si la température est di érente de celle indiquée
par le pointeur du bouton du thermostat.
1. Desserrer les deux vis de blocage sur le bouton du
thermostat.
2. Régler le pointeur à la température indiquée sur le
thermomètre.,
3. Bien serrer les deux vis de blocage.
4. Véri er que la surface noire du bouton est
su samment éloignée de la plaque du cadran (au
moins l’épaisseur d’une pièce de 10 sous).
NOTA : NE PAS TOURNER L’AXE DE RÉGLAGE DE PLUS DE
DEUX TOURS DANS UN SENS OU DANS L’AUTRE SOUS PEINE
DE CAUSER DES DOMMAGES PERMANENTS. CETTE ACTION
PEUT ANNULER LA GARANTIE STANDARD.
Le thermostat Fenwal est un interrupteur électrique avec
des contacts qui s’ouvrent quand la température augmente.
Il répondra à des changements de température d’environ 1°
quand la friteuse est en attente sans à aliments en cours de
friture.
Le fait de tourner l’axe de réglage dans le sens inverse
des aiguilles d’une montre augmente la température à
laquelle les contacts s’ouvrent. Certains des problèmes les
plus fréquents sont liés au générateur de veilleuse. Ils se
manifestent habituellement sous la forme de problèmes
d’allumage du brûleur principal ou d’extinction fréquente de
la veilleuse.
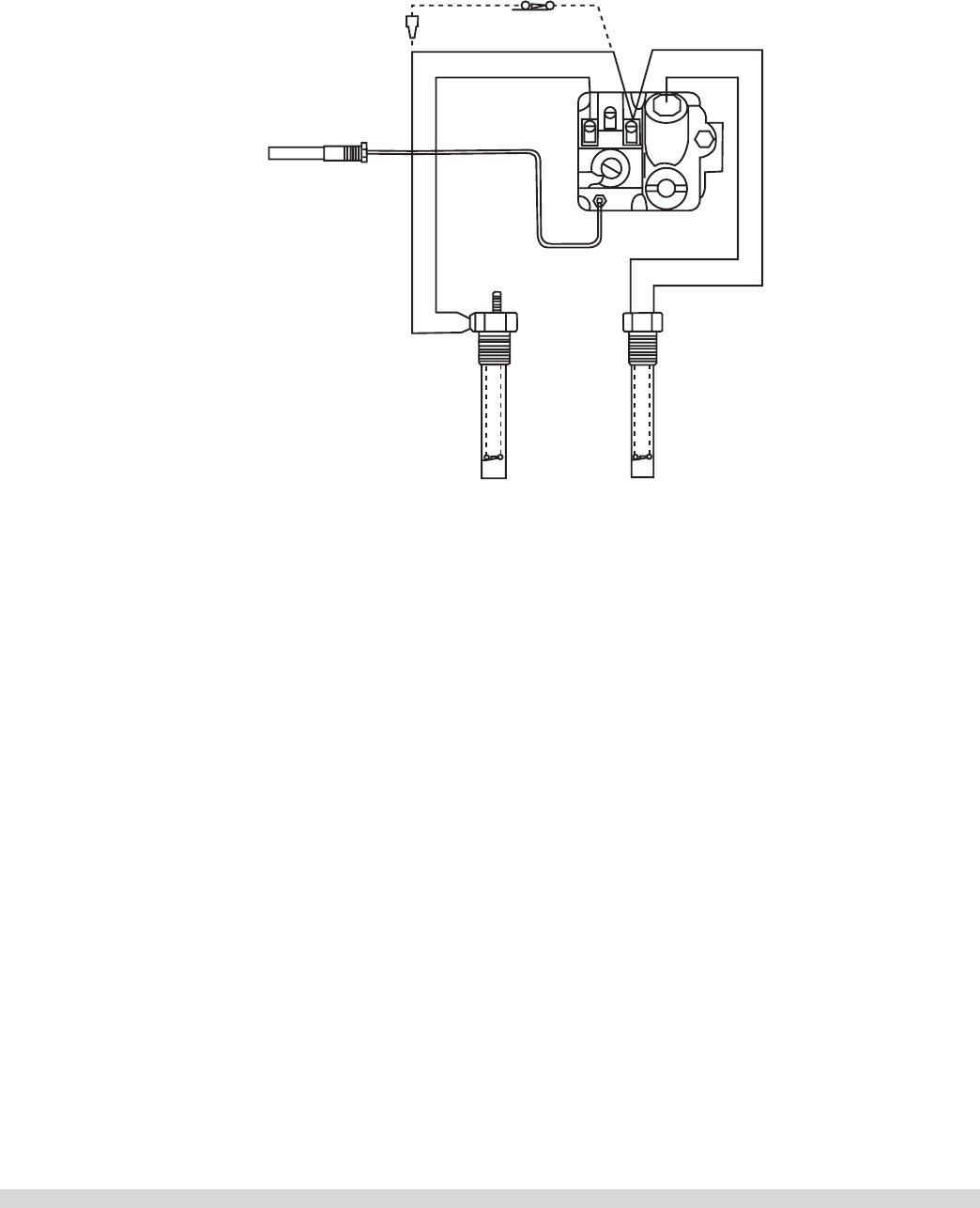
On trouvera ci-dessous un schéma de câblage du thermostat
Fenwal et des commandes à maximum au système de
sécurité.
NOIR NOIR
BLANC BLANC
THERMOSTAT
À MAXIMUM
THERMOSTAT
DE COMMANDE
GÉNÉRATEUR
DE VEILLEUSE
INTERRUPTEUR MARCHE/ARRÊT EN OPTION