Manual

6-23
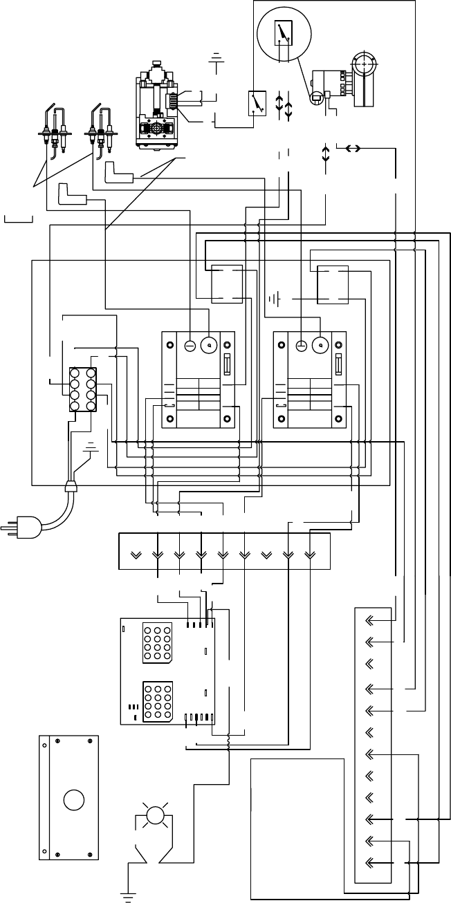
6.9 Wiring Diagram for FBR18 Units
5
811
10
129
7
6
4
3
1
2
GND
GND
3
2
1
SOUND
GND
V1S
ALRM
PWR
V1D
GND
GND
V2S
A S
A D
PWR
V2D
GND
GREEN
J2
10 11 12
CENT.
SWITCH
C
NC
NO
J3
1C 3C 8C 56C 5C
2C
22C
21C
55C
17C
16C
60C
53C
42C
7C
12C
14C
19C
18C
44C
43C
*
*
10C
111C
9C
49C
11C
51C
13C
36C
101C
23C
4C
123456789
12C
111C
2C
(WHT)
(BLK)
(ORN)
(ORN)
(ORN)
(ORN)
BLOWER
GAS
VALVE
BLACK
WHITE
IGNITER
HIGH VOLTAGE
CABLE
HIGH TEMP. WIRE
IGNITER
120 VAC
CORDSET
NOTE: FLAME SENSOR WIRE
MUST BE CONNECTED TO THE
SAME IGNITOR AS ITS MATCHING
HIGH VOLTAGE LEAD.
PROBE
TEMP.
TROUBLE
LIGHT
CONTROLLER
5
6
7
8
4
3
2
1
SWITCH
SAFETY DRAIN
NO
NC
C
SPARK MODULE LT.
25V
(GND)
ALARM
VALVE
GND
(BURNER)
25V
IGNITION
MODULE
MODULE
IGNITION
25V
(BURNER)
GND
VALVE
ALARM
(GND)
25V
SPARK MODULE RT.
LOAD
LINE
12
120
120
24
LINE
LOAD
987654321
J3
J1
11
10
12
8
7
9
5
4
6
2
3
1
8050417D