Manual

6-24
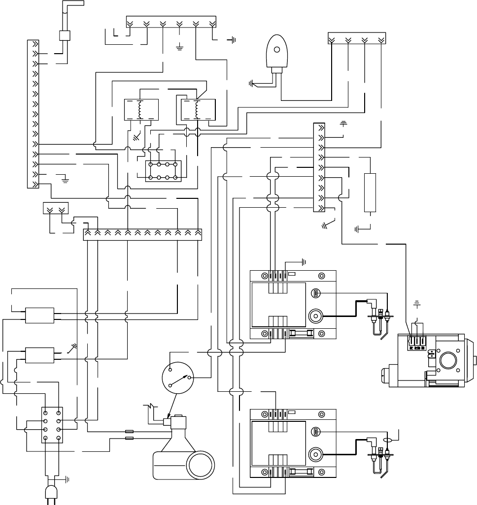
6.10 Wiring Diagram for FBRA18 Units
IGNITOR
IGNITION MODULE
GAS VALVE
HIGH VOLTAGE LEAD.
AS ITS MATCHING
TO THE SAME IGNITOR
MUST BE CONNECTED
FLAME SENSOR WIRE
NOTE:
WIRE
TEMP
HIGH
IGNITION MODULE
IGNITOR
TEMP
WIRE
HIGH
ORANGE
LEFT IGNITION
25V
GND
25V
BLOWER
J3
2
1
120 V
SWITCH
(BURNER)
VALVE
ALARM
GND
RIGHT IGNITION
25V
25V
GND
VALVE
VALVE
GND
(BURNE R)
ALARM
24V
BLACK
WHITE
LOAD
LINE
SOLENOID
J2
J1
1
4
3
2
5
6
4
3
2
1
LOW PROBE
HIGH PROBE
1 2345678 9 10 11 12 13 14 15
TEMP PROBE
COM
RELAY
N/O
COMPUTER
12V
LOAD
LINE
4132 65 987 1110 12
4132 65 987
LIGHT
NC
COM N/O
NC
NC
NO
COM
WHITE
BLACK
11C
9C
49C
10C
111C
5C
8C
2C
3C
1C
13C
12C
18C
44C
43C
18C
44C
43C
19C
14C
37C
6C
38C39C
29C
41C
RED
12C
7C
17C
27C
33C
22C
35C
4C
21C
26C
31C
42C
48C
50C
34C
35C
6C
37C
47C
20C
30C
28C
46C
26C
27C
24C
25C
45C
40C
51C
15C
16C
32C
49C
8051017B