Wiring Diagram
Manuals
Brands
Frigidaire Manuals
Single Oven Electric Ranges
FFEF3003UW
1
2
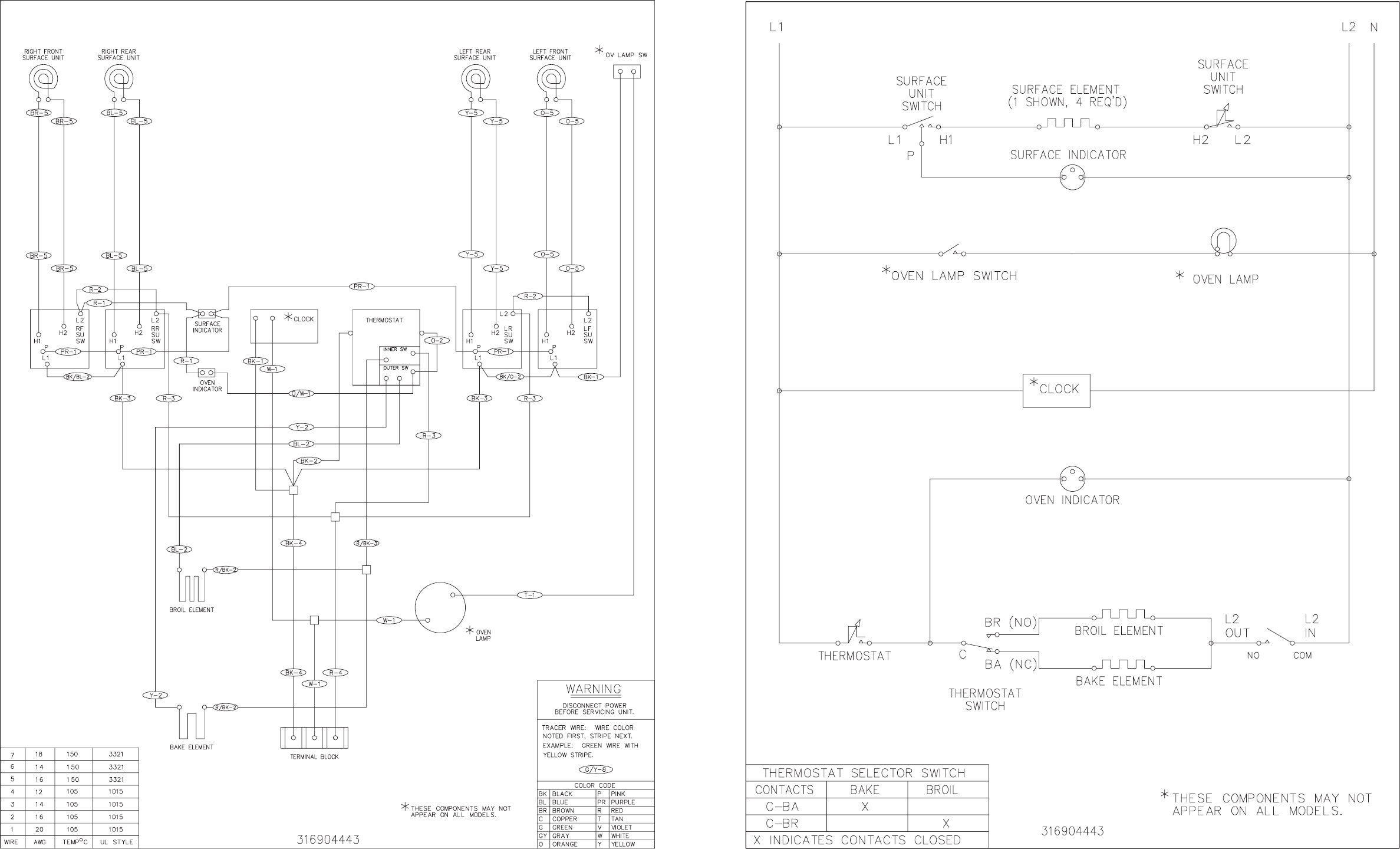
GENERAL TROUBLESHOOTING SCHEMATIC
GENERAL TROUBLESHOOTING DIAGRAM
1
2