Installation Manual
Table Of Contents

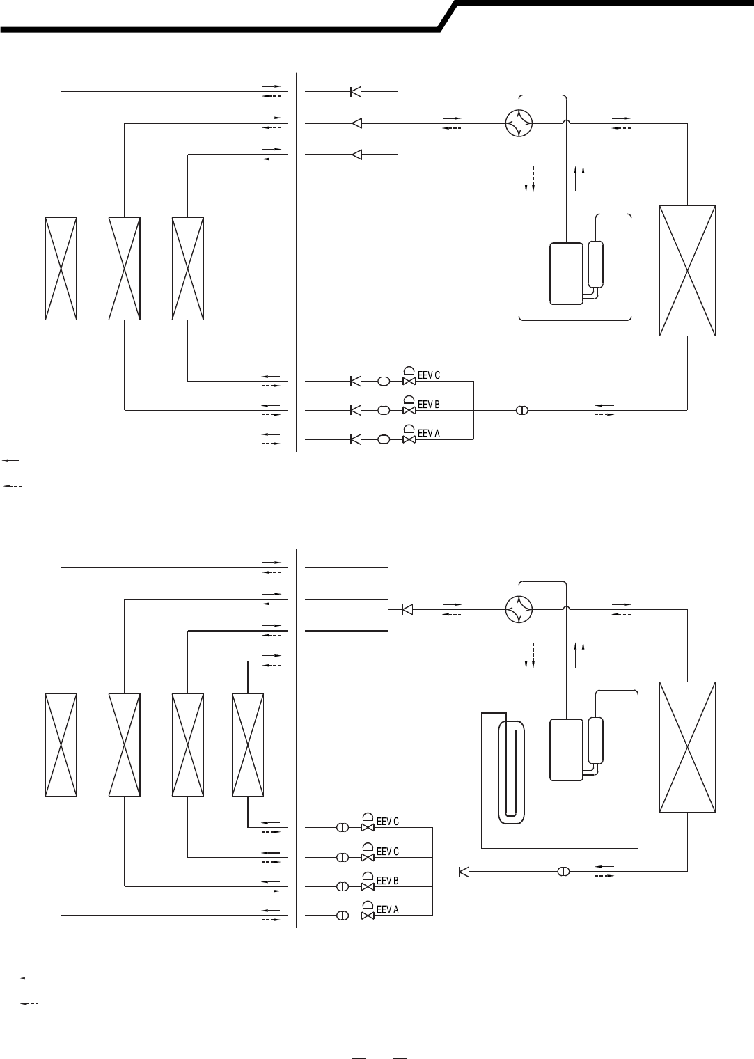
Schéma du flux du réfrigérant
3
UNITE A
UNITE B
UNITE C
UNITE A
UNITE B
UNITE C
ÉCHANGEUR DE CHALEUR INTÉRIEUR- A
ÉCHANGEUR DE CHALEUR INTÉRIEUR- B
ÉCHANGEUR DE CHALEUR INTÉRIEUR- C
FILTRE
COMPRESSEUR
ÉCHANGEUR DE CHALEUR EXTÉRIEUR
SOUPAPE À 4 VOIES
UNITÉ INTÉRIEURE
UNITÉ EXTÉRIEURE
Cycle de refroidissement
Cycle de chauffage
Cycle de refroidissement
Cycle de chauffage
ÉCHANGEUR DE CHALEUR INTÉRIEUR- A
ÉCHANGEUR DE CHALEUR INTÉRIEUR- B
ÉCHANGEUR DE CHALEUR INTÉRIEUR- C
FILTRE
COMPRESSEUR
ÉCHANGEUR DE CHALEUR EXTÉRIEUR
SOUPAPE À 4 VOIES
UNITÉ INTÉRIEURE
UNITÉ EXTÉRIEURE
ÉCHANGEUR DE CHALEUR INTÉRIEUR- D
SÉPARATEUR LIQUIDE - VAPEUR
24K
36K










