Installation & Operation Manual (2019)
Table Of Contents

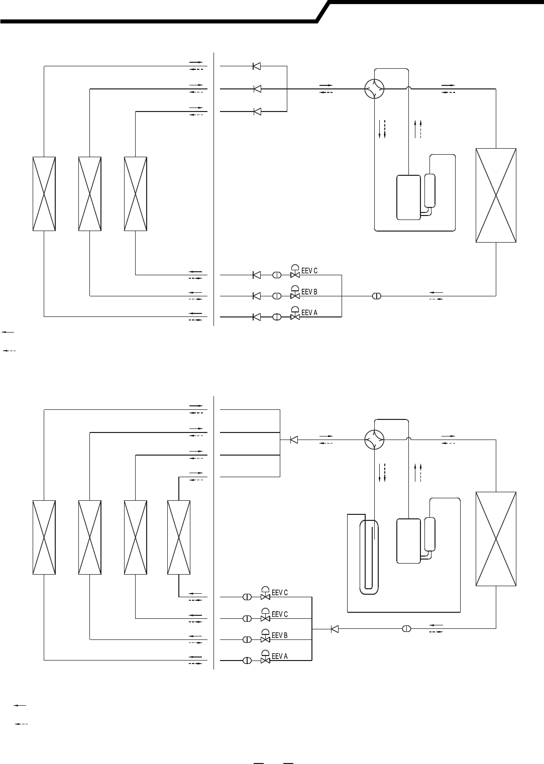
Diagrama del flujo de refrigerante
3
UNIDAD A
UNIDAD B
UNIDAD C
UNIDAD A
UNIDAD B
UNIDAD C
INTERCAMBIADOR DE CALOR INTERNO- A
INTERCAMBIADOR DE CALOR INTERNO- B
INTERCAMBIADOR DE CALOR INTERNO- C
FILTRO
COMPRESOR
INTERCAMBIADOR DE CALOR EXTERNO
VÁLVULA DE 4 VÍAS
UNIDAD INTERNA
UNIDAD EXTERNA
Ciclo de refrigeración
Ciclo de calefacción
Ciclo de refrigeración
Ciclo de calefacción
INTERCAMBIADOR DE CALOR INTERNO- A
INTERCAMBIADOR DE CALOR INTERNO- B
INTERCAMBIADOR DE CALOR INTERNO- C
FILTRO
COMPRESOR
INTERCAMBIADOR DE CALOR EXTERNO
VÁLVULA DE 4 VÍAS
UNIDAD INTERNA
UNIDAD EXTERNA
INTERCAMBIADOR DE CALOR INTERNO- D
SEPARADOR VAPOR-LÍQUIDO
24K
36K










