User's Manual
Manuals
Brands
Fluke Manuals
Yard Vacuum
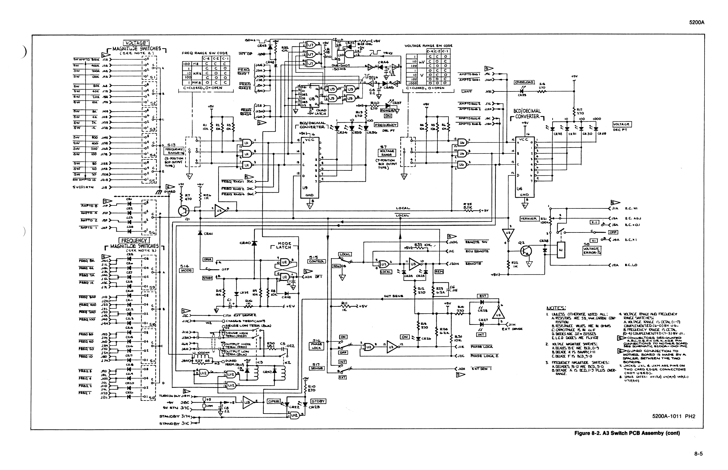
Fluke Fluke Yard Vacuum 5200A
201
202
203
204
205
206
207
208
209
210
1
...
...
203
204
205
206
207
...
...
236