- Sanyo Fisher Co. Owner's Manual Multimedia Projector PLC-XF10N, PLC-XF10NL (Without Lens)
Table Of Contents

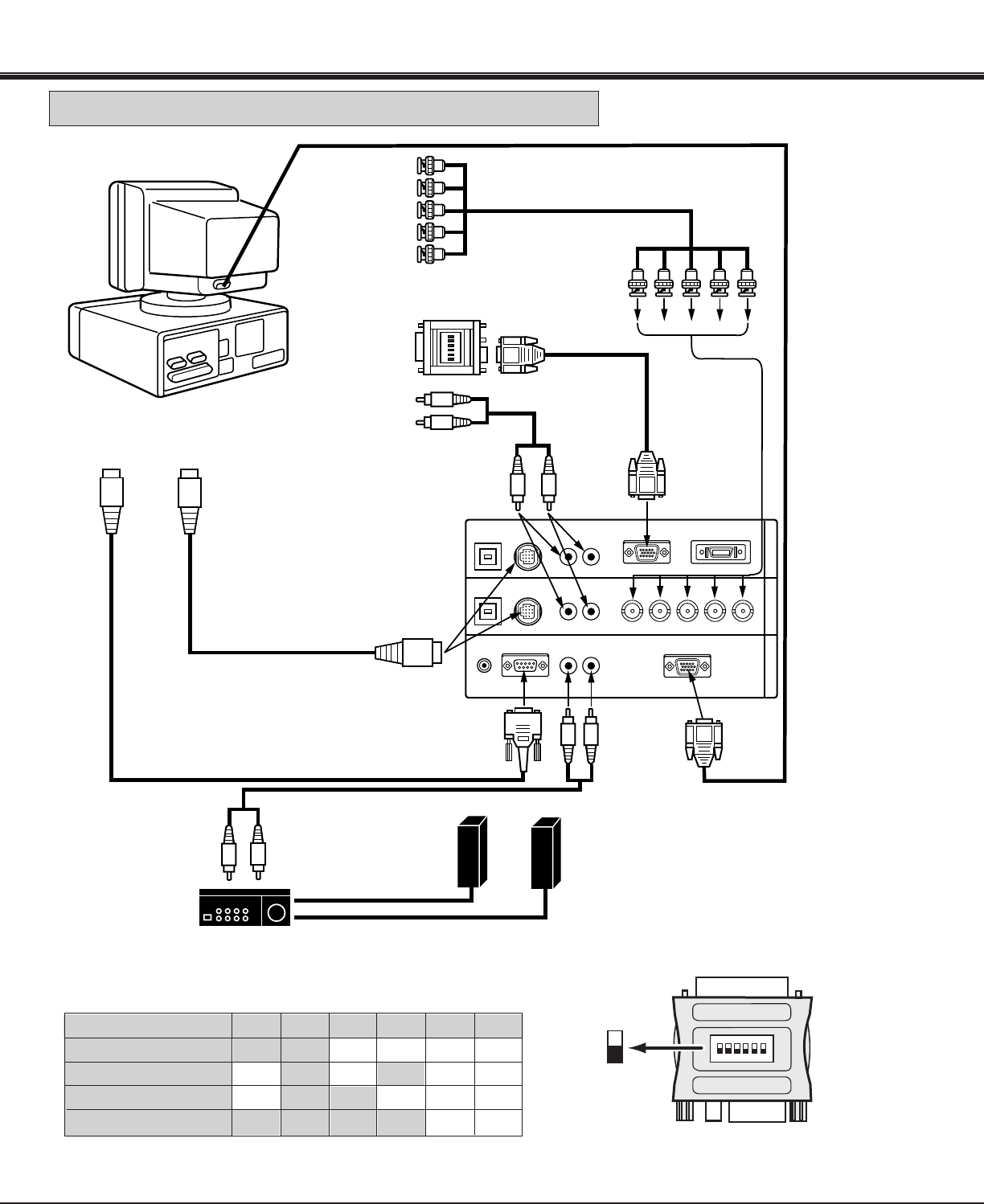
USB 1 AUDIO 1
R
ANALOG
ANALOG RGB
COMPUTER OUT
COMPUTER IN-2 COMPUTER IN-1
RGB H V
L
(MONO)
(MONO)
CONTROL PORT 1
USB 2
R/C JACK SERIAL PORT
AUDIO 2
AUDIO OUT
RL
RL
CONTROL PORT 2
DIGITAL
123456
ON
18
CONNECTING THE PROJECTOR
CONTROL PORT
OUTPUT 1 or 2
COMPUTER
MONITOR CABLE
(NOT PROVIDED)
COMPUTER
OUTPUT
(BNC TYPE x 5)
BNC CABLE x 5
(NOT PROVIDED)
COMPUTER
OUTPUT
COMPUTER
AUDIO OUTPUT1 or 2
AUDIO CABLE
(NOT PROVIDED)
AUDIO CABLE
(NOT PROVIDED)
MOUSE CABLE FOR
ADB PORT
(PROVIDED)
COMPUTER
INPUT 2
VGA/MAC ADAPTER
(PROVIDED)
R L
R L
Speaker (L)
Speaker (R)
Amp.
L
R
R
L
AUDIO
INPUT
SPEAKER
OUT
COMPUTER
AUDIO OUTPUT
SERIAL PORT CABLE
(NOT PROVIDED)
SERIAL
PORT
OUTPUT
COMPUTER
INPUT 1
(ANALOG)
CONNECTING A MACINTOSH DESKTOP COMPUTER
VGA CABLE
(PROVIDED)
COMPUTER
AUDIO OUTPUT
MONITOR
OUTPUT
ON
2
34
5
61
ON
OFF
VGA/MAC ADAPTER
SW1 ~ SW6
Set the dip switches as shown in the table below depending on
the RESOLUTION MODE that you want to use before you turn
on the projector and computer.
ADB PORT
INPUT
ADB PORT
INPUT
SW1
ON
OFF
OFF
ON
RESOLUTION MODE
13" MODE (640
x
480)
16" MODE (832
x
624)
19" MODE (1024
x
768)
21" MODE (1152
x
870)
SW6
OFF
OFF
OFF
OFF
SW5
OFF
OFF
OFF
OFF
SW4
OFF
ON
OFF
ON
SW3
OFF
OFF
ON
ON
SW2
ON
ON
ON
ON
NOTE: When connecting the cable, the power cords of both the projector and the external equipment should be
disconnected from AC outlet. Turn the projector and peripheral equipment on before the computer is switched on.










